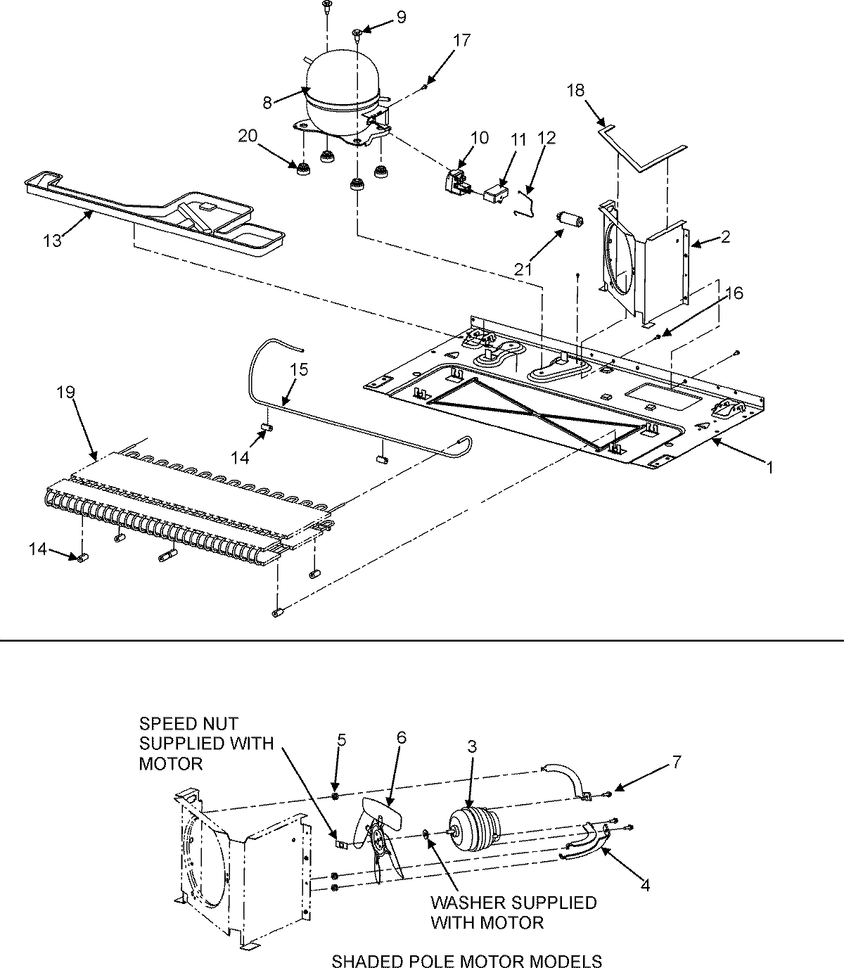
G32026PELB 02 – COMPRESSORadmin2025-04-26T09:23:50+00:00G32026PELB 02 – COMPRESSOR ProductsPositionProductNIMAY W10131905NIMAY 670050631MAY 670015122MAY 126871012MAY 670066613MAY 670021654Bracket, Motor (3)5GROMMET, BRACKET6WP12587601 Whirlpool Refrigerator Condenser Blade7Screw (3)8MAY 120028178W10309997 Whirlpool Refrigerator Compressor9MAY M022152310MAY 6700645310MAY 6700481511MAY 6700281511MAY 6700716212MAY 6700317912MAY 1257680113MAY 670047441467005680 Whirlpool Refrigerator Condenser Grommet15MAY 6700470016MAY M023861617MAY M023160418WP854334 Whirlpool Air Conditioner Sealing Strip19WP67006131 Whirlpool Refrigerator Condenser2067003493 Whirlpool Refrigerator Compressor Grommet21MAY 67005062