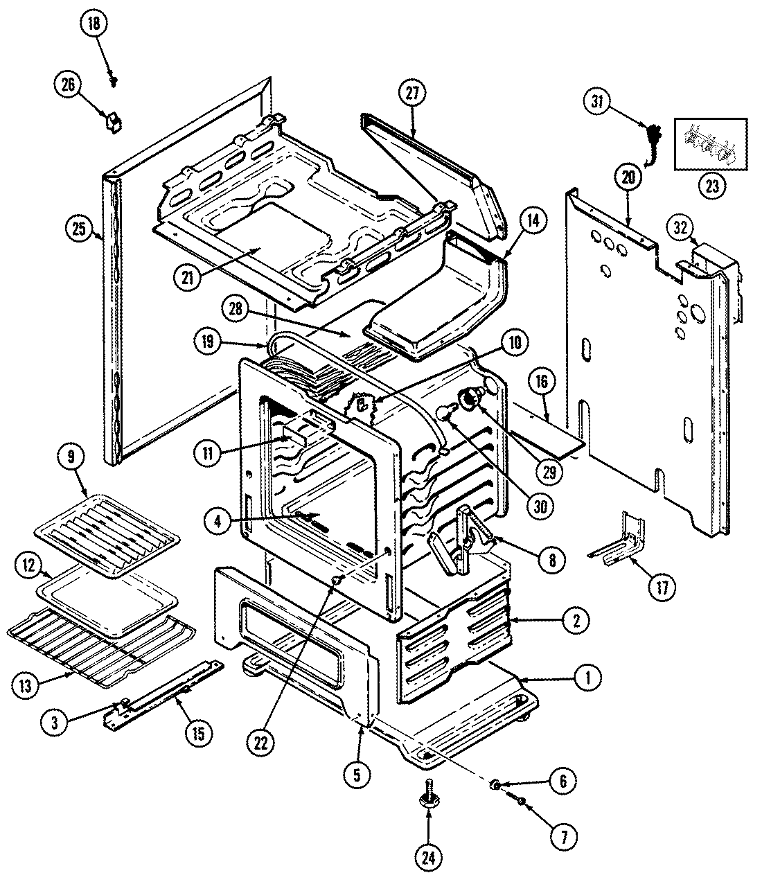
G3216SRW-M 01 – BODY