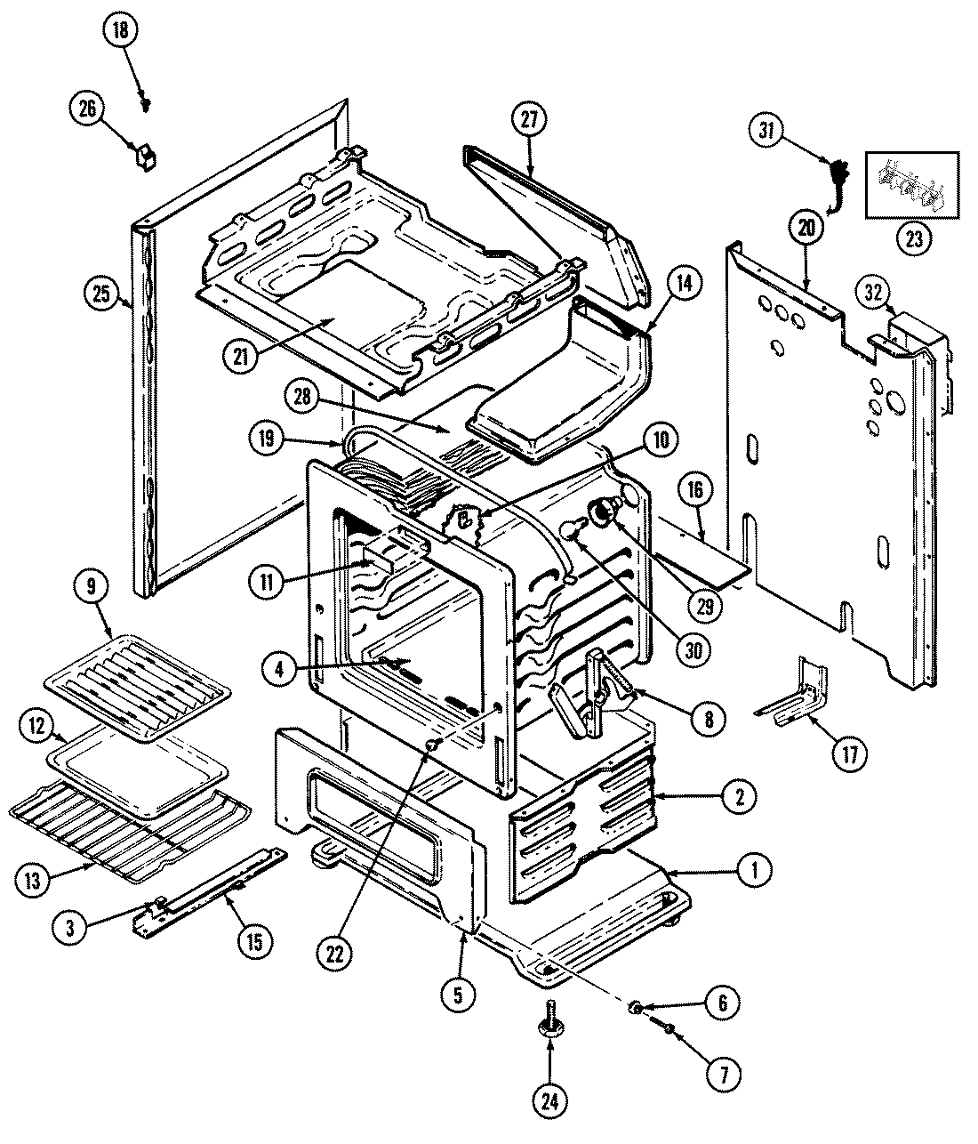
| 1 | MAY 7103P125-60 |
| 1 | MAY 4003W028-80 |
| 2 | MAY 4016F039-45 |
| 3 | MAY 8016P010-60 |
| 4 | MAY 5504M004-19 |
| 4 | MAY 3601F229-45 |
| 4 | BAFFLE, OVEN BOTTOM |
| 4 | MAY 5504M002-16 |
| 5 | MAY 2201F077-19 |
| 6 | MAY 8004P024-60 |
| 7 | MAY 7101P334-60 |
| 8 | MAY 7106P032-60 |
| 9 | MAY Y3413F01619 |
| 10 | WP7112P004-60 Whirlpool Thermal Clip |
| 11 | MAY 8114P335-60 |
| 12 | MAY Y3401F02019 |
| 13 | MAY 7801P040-60 |
| 14 | MAY 4006W113-45 |
| 14 | WP74003976 Whirlpool Screw |
| 15 | MAY 3404F018-51 |
| 15 | MAY 7101P290-60 |
| 15 | MAY 3404F021-51 |
| 16 | MAY 3807F416-45 |
| 17 | MAY 3801F218-51 |
| 17 | MAY 7101P289-60 |
| 18 | MAY 7118P013-60 |
| 19 | MAY 4820F001-59 |
| 20 | MAY 4002F188-80 |
| 20 | MAY 8008P021-60 |
| 21 | MAY 4011F224-80 |
| 22 | SCREW, HINGE |
| 23 | MAY 7401P037-60 |
| 24 | MAY 7101P306-60 |
| 25 | MAY 2618F099-74 |
| 25 | MAY 2618F085-74 |
| 26 | SPACER, MAIN TOP (LT) |
| 26 | SPACER, MAIN TOP (RT) |
| 27 | MAY 4022W005-19 |
| 28 | MAY 4804F032-60 |
| 28 | MAY 4804F031-60 |
| 29 | WP7407P182-60 Whirlpool Lamp |
| 30 | MAY 7407P027-60 |
| 31 | MAY 7402P045-60 |
| 32 | MAY 5185D250-60 |
| 32 | MAY 4005F385-51 |