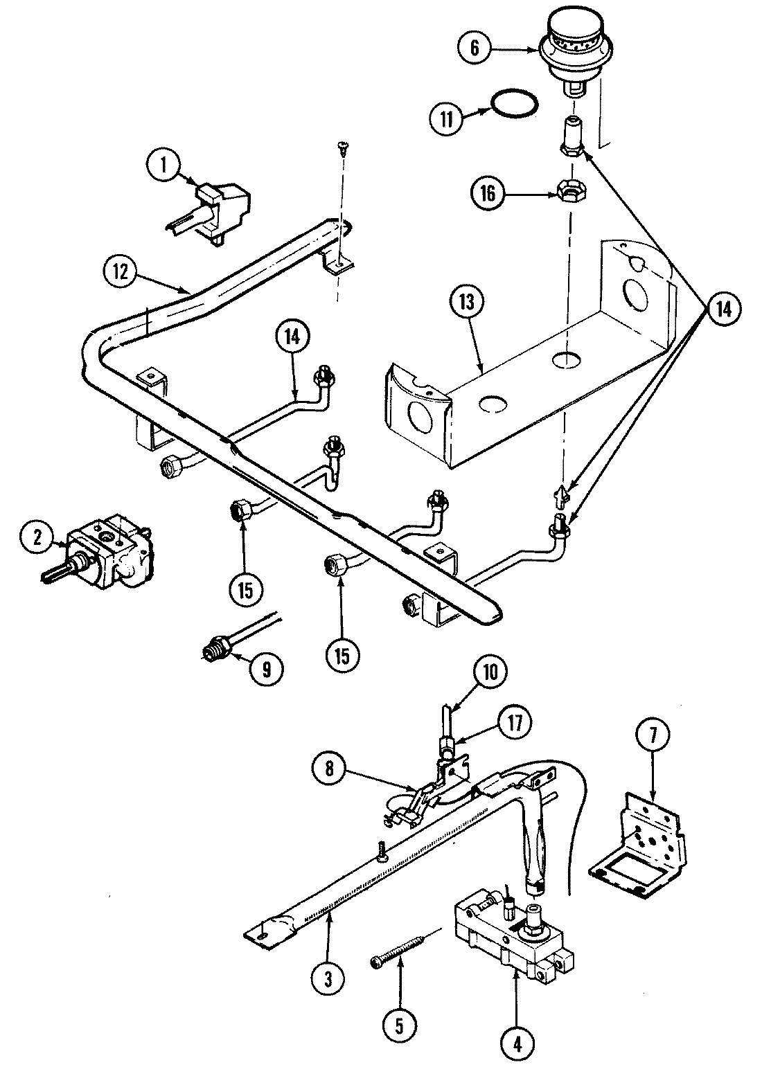
G3227WRAM3 03 – GAS CONTROLSadmin2025-04-26T09:24:01+00:00G3227WRAM3 03 – GAS CONTROLS ProductsPositionProduct1MAY 7502P232-602MAY 15552222MAY 7101P010-602MAY 7507P047-602MAY 7515P034-603MAY 3403D023-454MAY 7501P127-605SCREW No.10 X 26MAY 3412D017-097MAY 3801F238-458MAY 7432P070-609MAY 3414F094-449MAY 155525110MAY 3414F108-4411MAY 7201P050-6012MAY 7513P158-6013MAY 3807F451-4514MAY 7507P139-6015MAY 7507P131-6016MAY 7103P119-6017MAY 1555261K