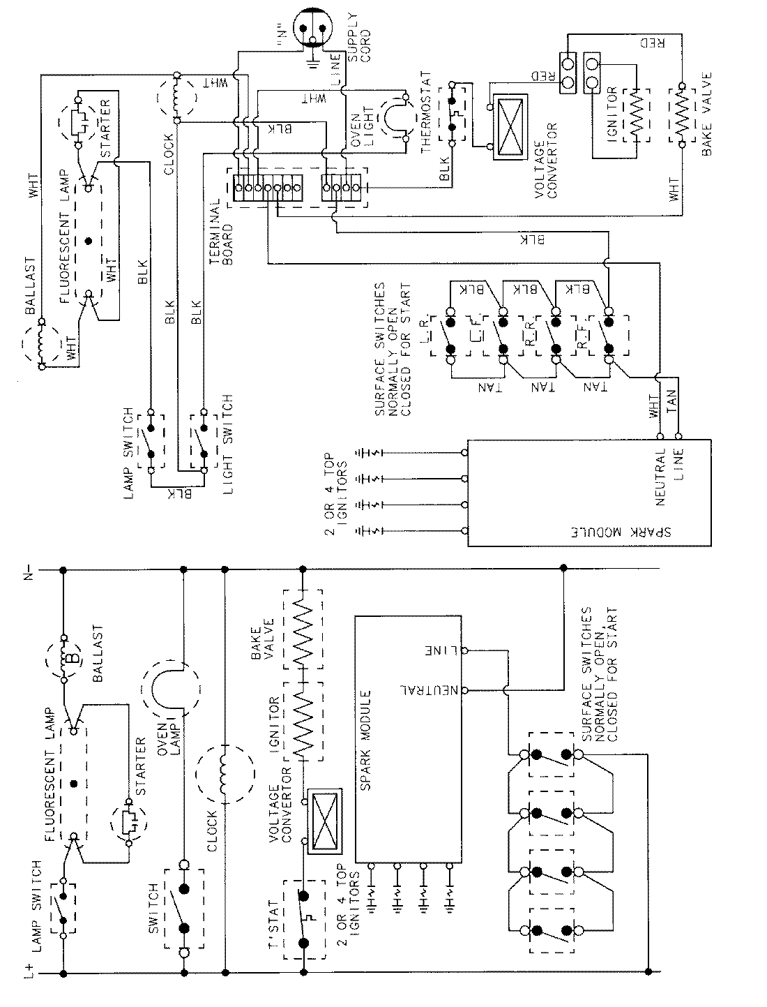
G3227XRW 06 – WIRING INFORMATIONadmin2025-04-26T09:23:47+00:00G3227XRW 06 – WIRING INFORMATION ProductsPositionProductNIMAY 15001307