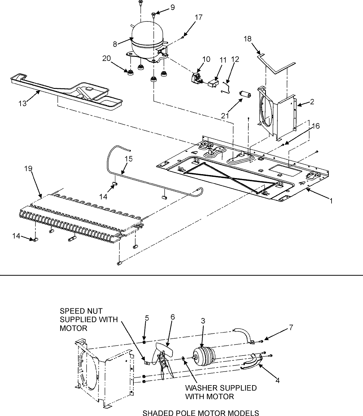
G32526PEKW 02 – COMPRESSORadmin2025-04-26T09:27:28+00:00G32526PEKW 02 – COMPRESSOR ProductsPositionProductNIMAY 12973201NIMAY 670050691MAY 670015122MAY 670067052SHROUD, CONDENSER FAN3MAY 670021654Bracket, Motor (3)5GROMMET, BRACKET6WP12587601 Whirlpool Refrigerator Condenser Blade7Screw (3)8W10309997 Whirlpool Refrigerator Compressor8MAY 120028179MAY M022152310MAY 6700481510MAY 6700645311MAY 6700281511MAY 6700716212MAY 1257680112MAY 6700317913WP12579803 Whirlpool Refrigerator Drain Pan1467005680 Whirlpool Refrigerator Condenser Grommet15MAY 6700470016MAY M023861617MAY M023160418WP854334 Whirlpool Air Conditioner Sealing Strip19WP67006131 Whirlpool Refrigerator Condenser2067003493 Whirlpool Refrigerator Compressor Grommet21MAY 67005062