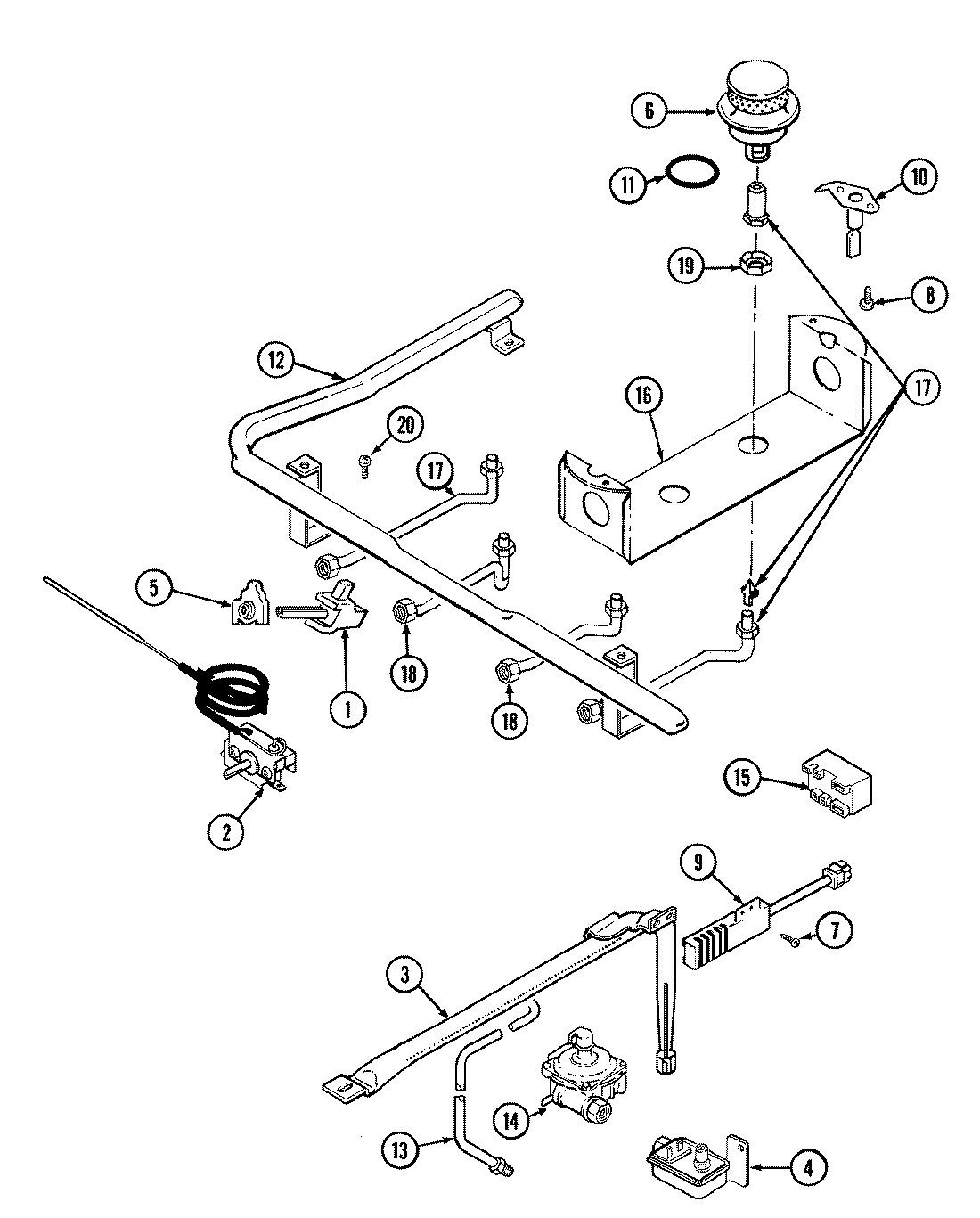
G3267XRA-4 03 – GAS CONTROLSadmin2025-04-26T09:26:13+00:00G3267XRA-4 03 – GAS CONTROLS ProductsPositionProductNIMAY 5140D038-60NIMAY 5125A312-601MAY 7502P217-601MAY 710032312MAY 7404P087-602MAY 7101P280-603MAY 3403D023-454MAY 4005F433-514MAY 7501P124-605WP7403P279-60 Whirlpool Igniter Switch6MAY 3412D017-097SCREW (10-24X5/16-NI)8MAY 7101P315-609MAY 7432P076-6010NOT REQUIRED PART OR SEE NOTE FUSE (NOT REQUIRED)11MAY 7201P050-6012MAY 7513P120-6012MAY 7103P130-6013MAY 3414F104-4414MAY 7510P051-6015MAY 3807F432-4515MAY 7431P022-6016MAY 3807F451-4517MAY 7507P128-6018MAY 7507P130-6019MAY 7103P119-6020MAY 7101P296-60