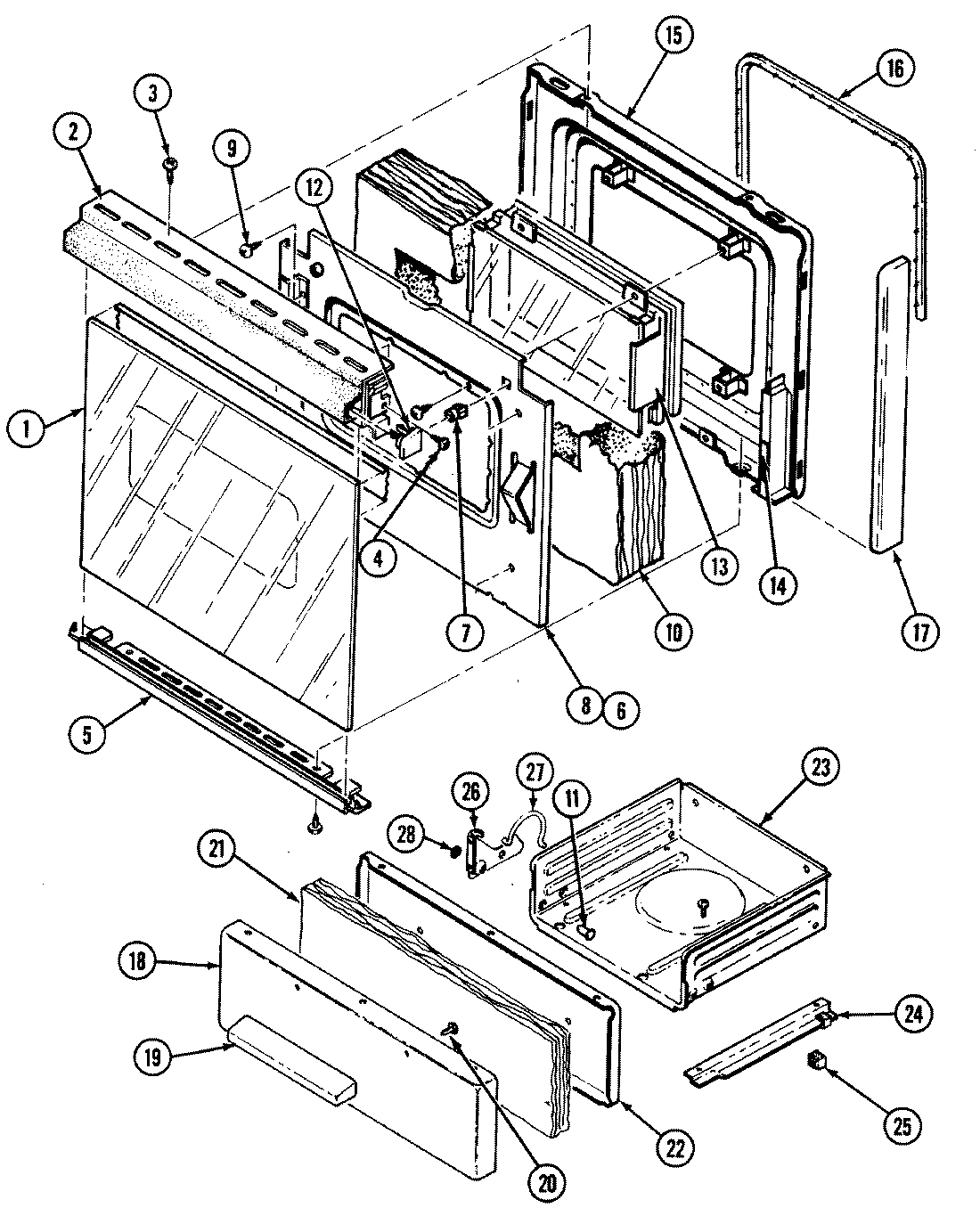
G3287XRA 03 – DOOR/DRAWERadmin2025-04-26T09:23:32+00:00G3287XRA 03 – DOOR/DRAWER ProductsPositionProduct1MAY 7902P321-602MAY 7701P103-603WP98008545 Whirlpool Screw4MAY 7101P329-605MAY 7744P105-606MAY 8010P085-607MAY 8010P075-608MAY 3601F232-459MAY 7101P290-6010MAY 4804F033-6011MAY 7113P012-6012MAY 7744P076-6012MAY 7744P075-6013MAY 7907P016-6014MAY 7208P011-6015MAY 2402W203-1615MAY 2402W203-1916MAY 7212P034-6017MAY 7744P055-6018MAY 2403F028-6419MAY 7701P012-602074002481 Whirlpool Screw21MAY 4804F025-6022MAY 2404F035-1923MAY 3407F012-1924MAY 7101P061-6024MAY 3404F022-5124MAY 3404F023-5125MAY 8016P011-6025MAY 8016P013-6026MAY 3418F079-5126MAY 3418F080-5127MAY 7803P064-6027MAY 7803P065-6028MAY 7103P022-60