| *12873 | WCI 08067722 |
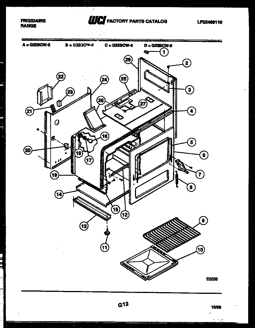
| 1 | WCI 08068052 |
| 2 | GROMMET |
| 3 | WCI 3131053 |
| 3A | WCI 3131054 |
| 4 | SUPPORT CONTROL PNL |
| 5 | WCI 08008022 |
| 6 | WCI 3017790 |
| 7A | 318348801 Frigidaire Oven Left Side Door Hinge |
| 7 | WCI 3204670 |
| 8 | SPRING (2) |
| 9 | RACK-OVEN |
| 10 | WCI 3018282 |
| 11 | WCI 3051080 |
| 12 | SUPPORT-OVEN BOTTOM |
| 13 | BASE RAIL |
| 14 | WCI 3011645 |
| 15C | WCI 3018286 |
| 15B | WCI 3018347 |
| 15A | OVEN LINER-SIDE LH |
| 15 | OVEN LINER-SIDE RH |
| 16 | 316538904 Frigidaire Oven Lamp Light |
| 17 | 316116400 Frigidaire Oven Light Socket |
| 18 | WCI 3051511 |
| 19 | WCI 3017172 |
| 19 | WCI 3017171 |
| 20 | SUPPORT-REAR OVN (2) |
| 21 | CHANNEL - MAIN WIRE |
| 22 | WCI 08013953 |
| 23 | 5303912606 Frigidaire Oven Range Spark Module 2+0 4 Large Terminals |
| 24 | WCI 3013340 |
| 25 | WCI 3017174 |
| 26 | WCI 3017173 |
| 27 | WCI 08008051 |
| 28 | WCI 08014019 |