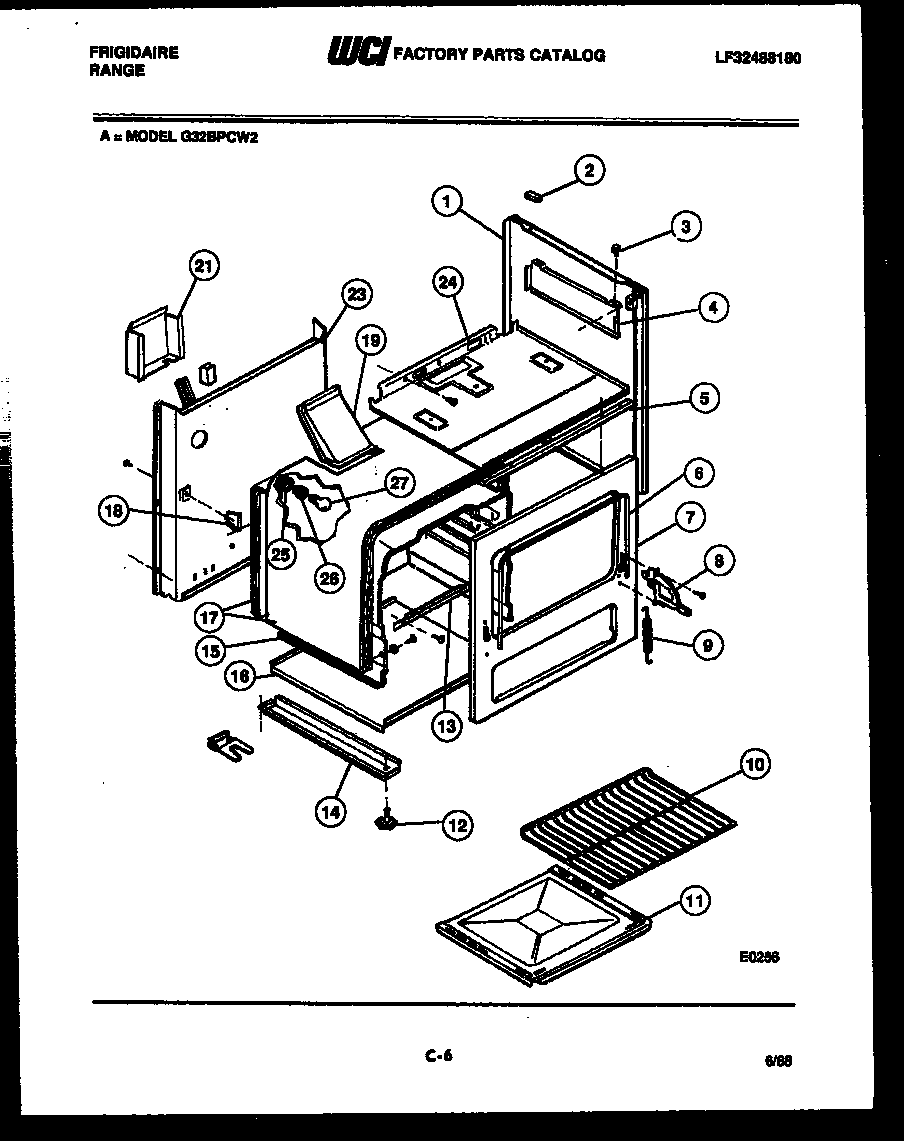
G32BPCL2 06 – BODY PARTS