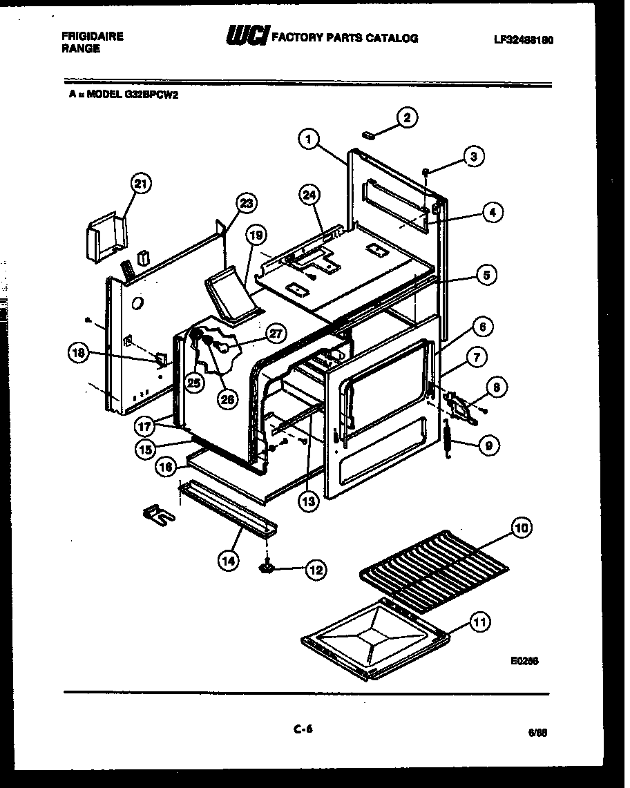
G32BPCW2 06 – BODY PARTS