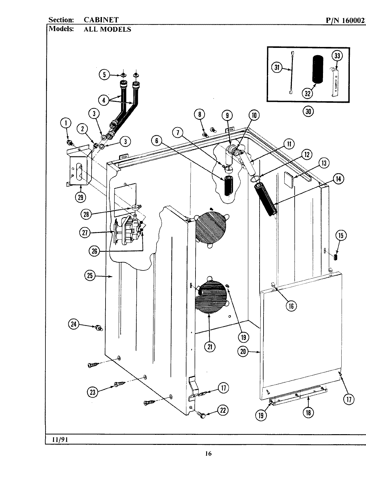
GA183 02 – CABINET