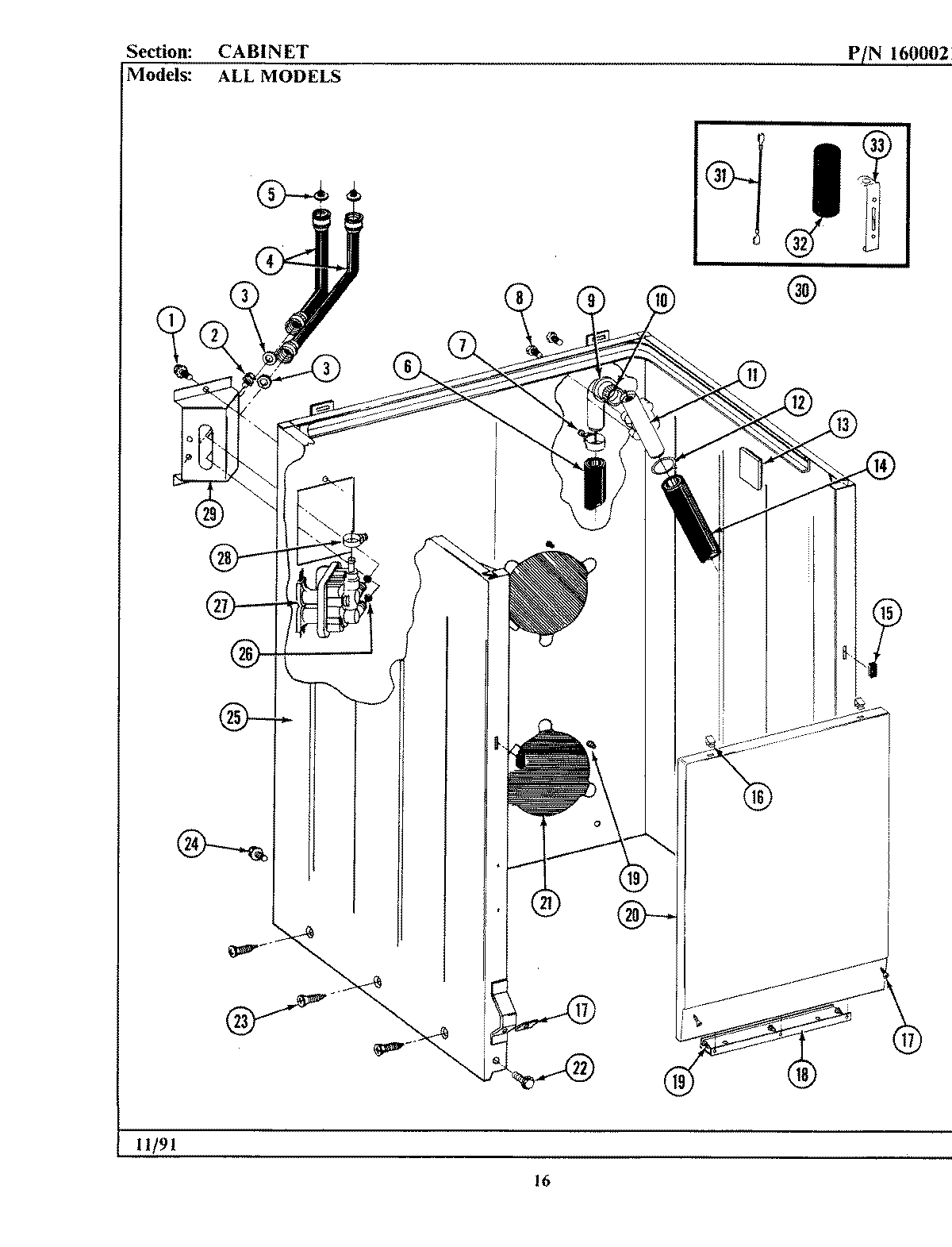
GA190 02 – CABINET