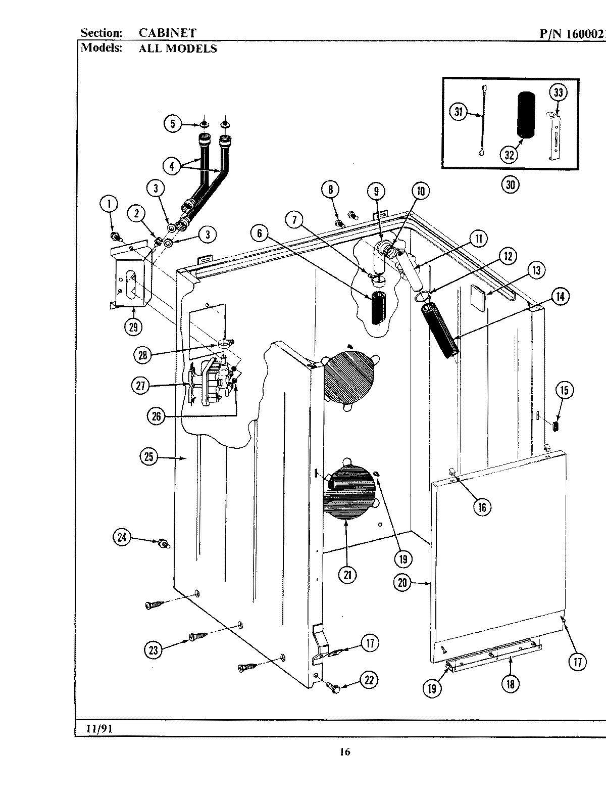
GA211S 02 – CABINET