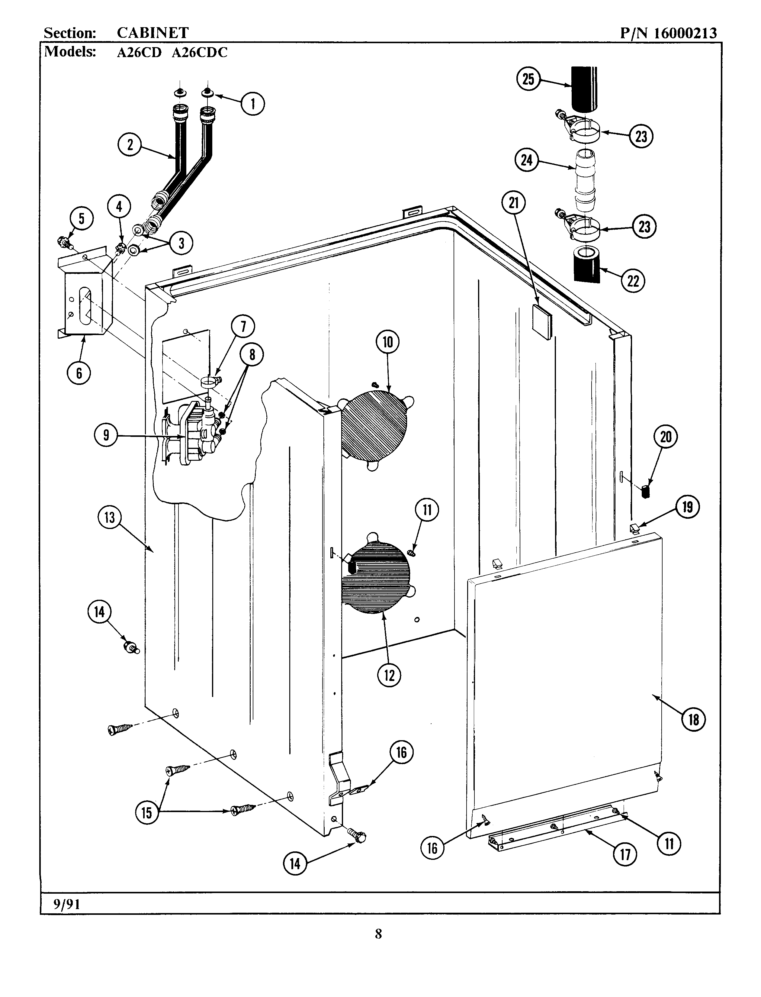
GA26CD 04 – CABINET