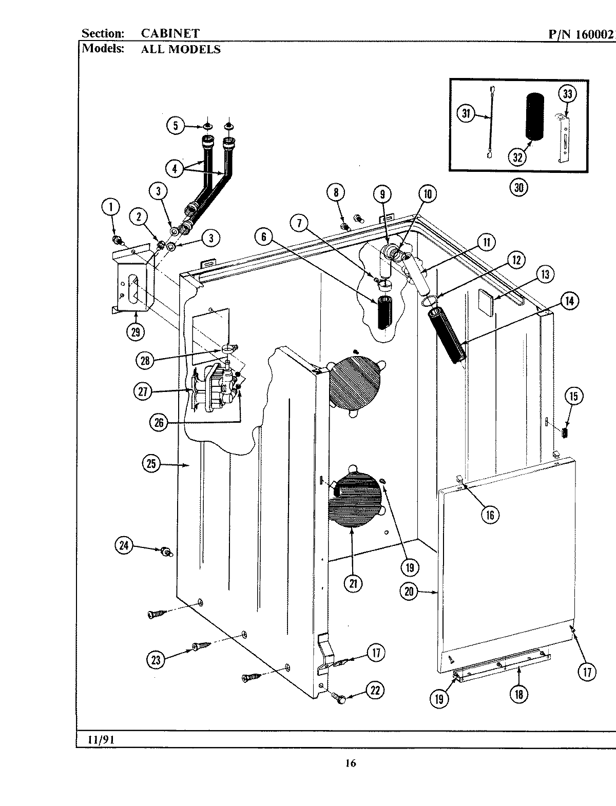
GA282 02 – CABINET