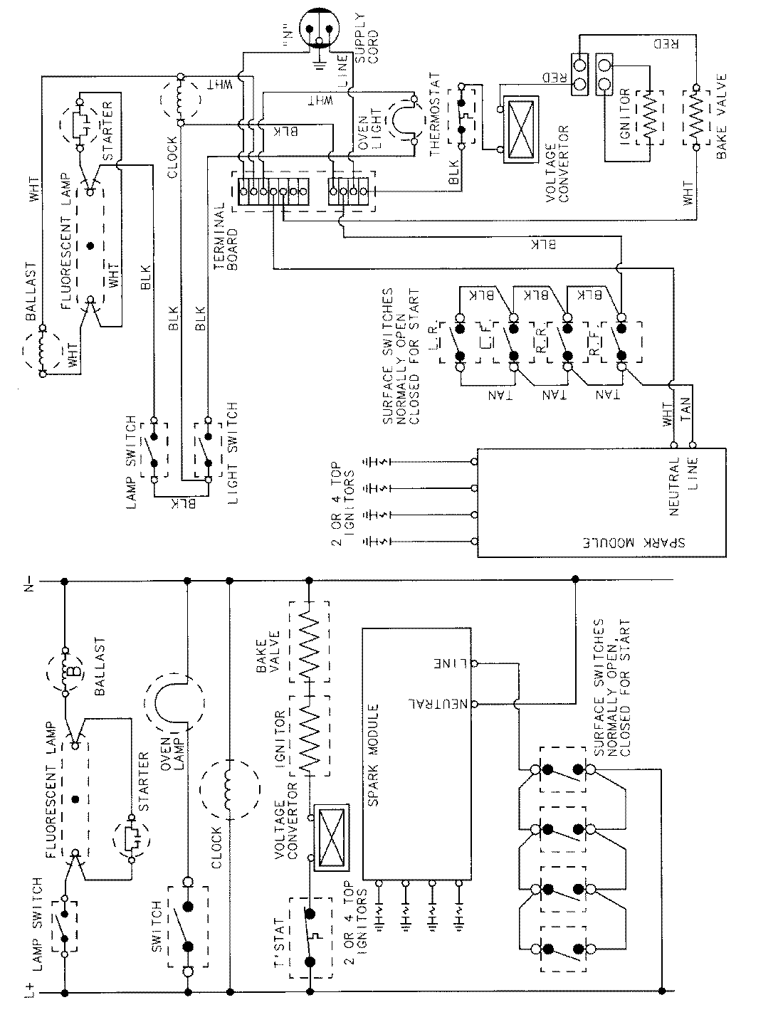
GA3277XUA 07 – WIRING INFORMATIONadmin2025-04-26T08:57:41+00:00GA3277XUA 07 – WIRING INFORMATION ProductsPositionProductNIMAY 15001307