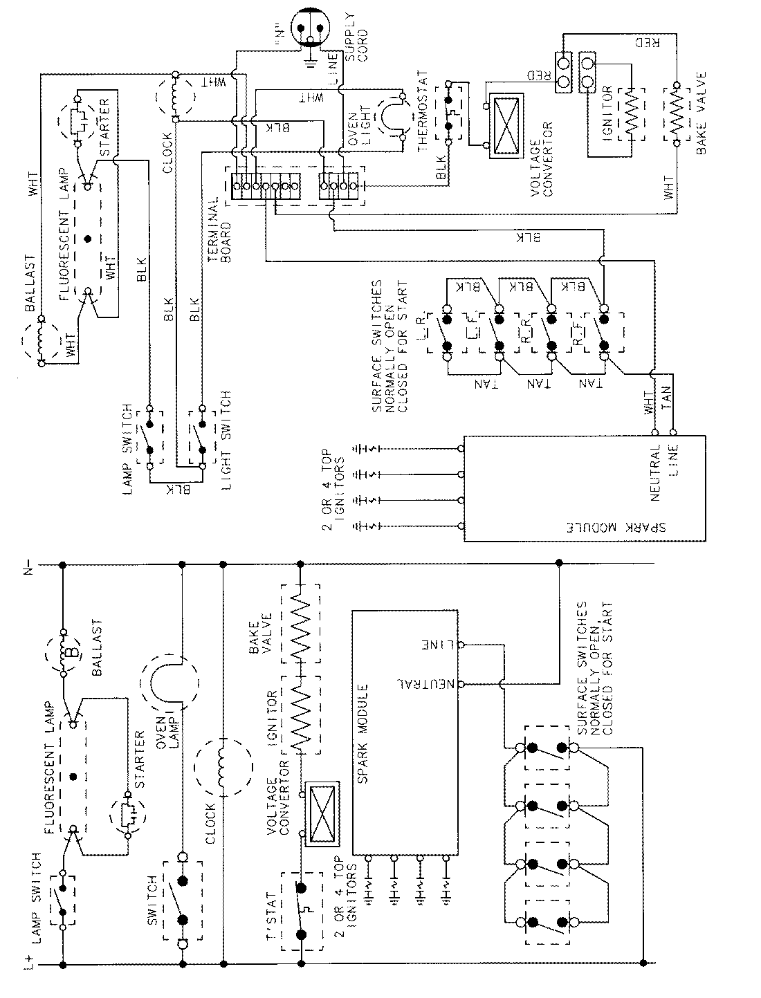
GA3277XUW 07 – WIRING INFORMATIONadmin2025-04-26T08:57:38+00:00GA3277XUW 07 – WIRING INFORMATION ProductsPositionProductNIMAY 15001307