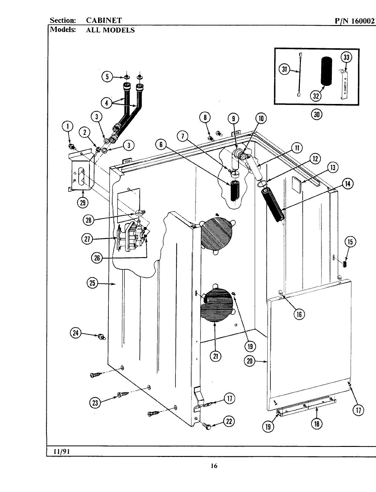
GA484 02 – CABINET