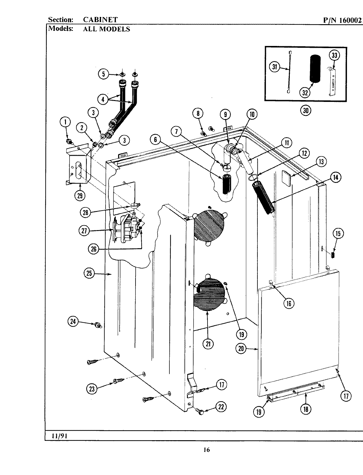
GA590 02 – CABINET