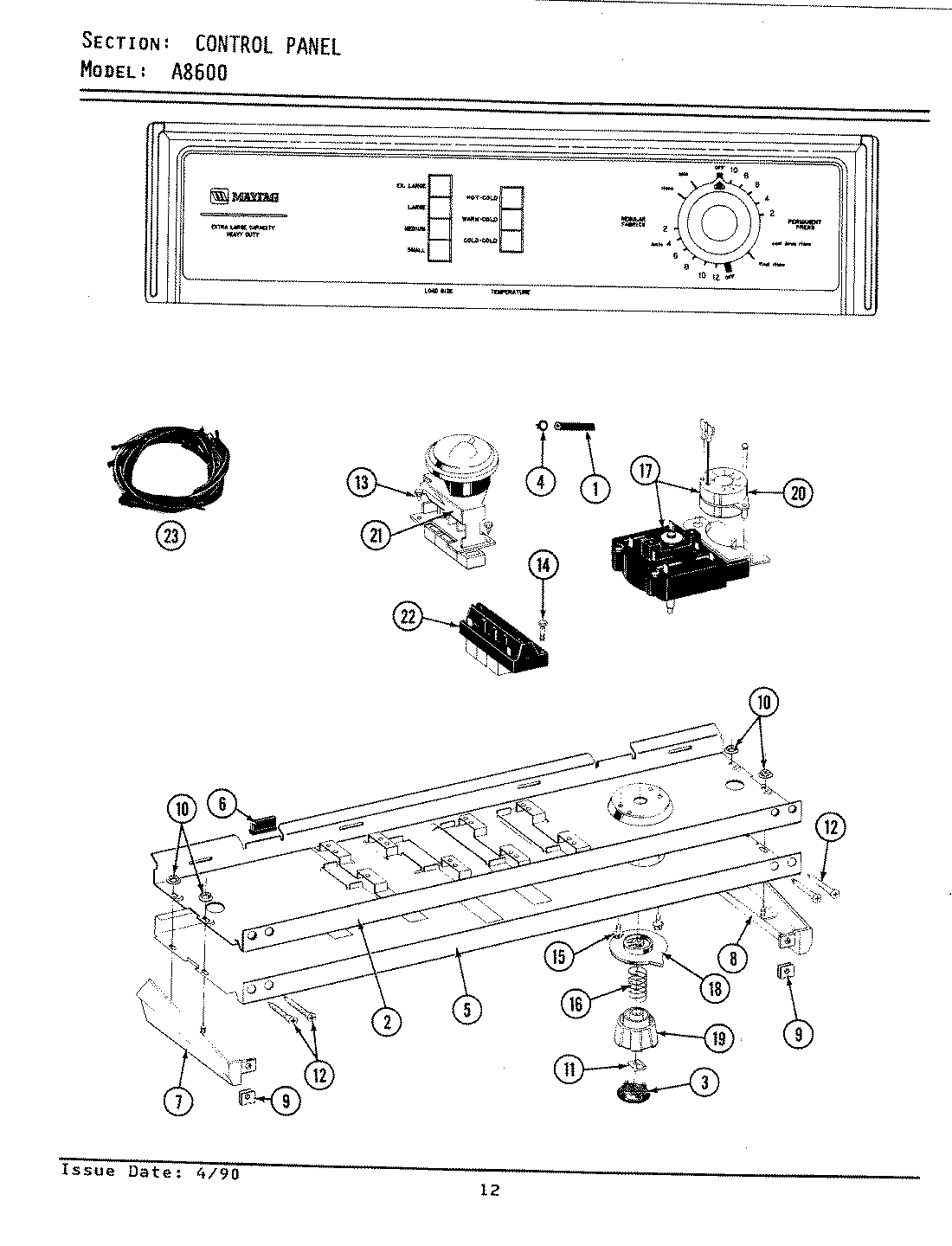
GA8600 04 – CONTROL PANELadmin2025-04-26T08:57:36+00:00GA8600 04 – CONTROL PANEL ProductsPositionProduct1MAY 2129422MAY 2148183MAY 2158214WP596669 Whirlpool Hose Clamp5MAY 2073936MAY 2148977MAY 2072158MAY 2072169MAY 21489410MAY 21487211MAY 21160512MAY 21093213WPW10139210 Whirlpool Screw14WP67006908 Whirlpool Refrigerator Screw15WP3400014 Whirlpool Dishwasher Screw16WP211065 Whirlpool Timer Spring17MAY 20737918MAY 21582719MAY 21582820MAY 20503321MAY 20736122MAY 20736823MAY 207383