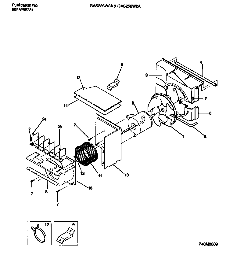
GAS258W2A1 04 – AIR HANDLINGadmin2025-04-26T09:26:56+00:00GAS258W2A1 04 – AIR HANDLING ProductsPositionProduct1WCI 53030179592WCI 3209753WCI 53030153054WCI 30166965SEAL,FAN HOUSING ,LOWER6WCI 53030153047134178901 Frigidaire Screw8WCI 53030175579WCI 530301530610BULKHEAD-AIR SYSTEM11BLOWER WHEEL12WCI 530301211013WCI 530301531314WCI 301531415WCI 530301683017CLAMP - FAN BLADE23WCI 530330288224NUT-PUSH