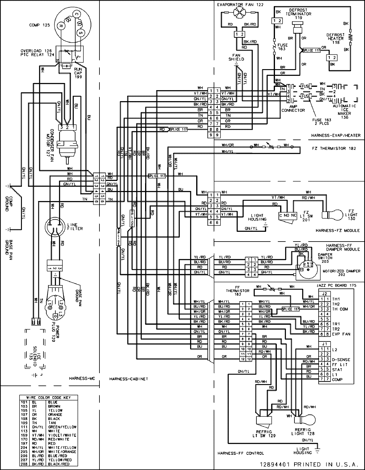
GB1924PEKB 12 – WIRING INFORMATIONadmin2025-04-26T08:57:39+00:00GB1924PEKB 12 – WIRING INFORMATION ProductsPositionProductNIMAY 15003635