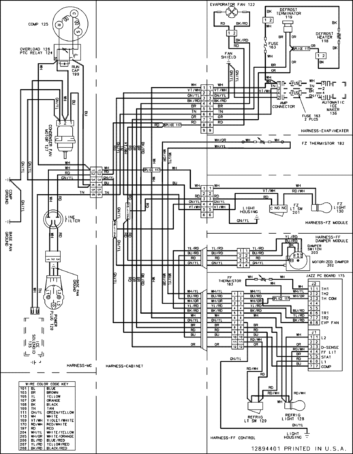
GB1924PEKS 12 – WIRING INFORMATIONadmin2025-04-26T08:57:34+00:00GB1924PEKS 12 – WIRING INFORMATION ProductsPositionProductNIMAY 15003635