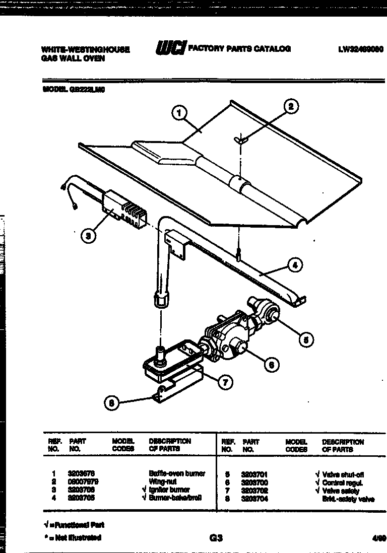
GB222LM0 03 – GAS CONTROLadmin2025-04-26T09:27:09+00:00GB222LM0 03 – GAS CONTROL ProductsPositionProduct1WCI 32036762NUT - WING35303935066 Frigidaire Oven Flat Igniter 17" Leads4WCI 32037055WCI 32037016CONTROL REGUL.7WCI 32037028BRKT.-SAFETY VALVE