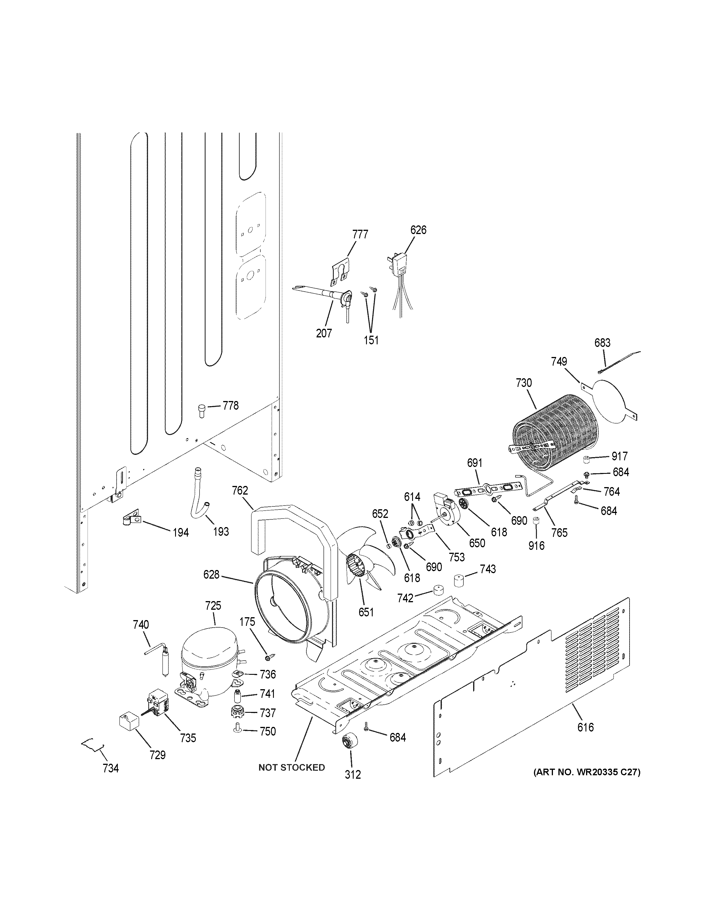
GBS20EGHBRWW MACHINE COMPARTMENTadmin2025-04-26T08:40:27+00:00GBS20EGHBRWW MACHINE COMPARTMENT ProductsPositionProduct151WR01X10623 GE Refrigerator Screw 8-18 AB IHXW 9/16 S175WR01X10652 GE Refrigerator Screw 8-18 AB IHW 5/8 S193TUBE DRAIN194WR01X10684 GE Refrigerator Cable Clamp207GROMMET AND TUBE ASM312WR02X10695 GE Refrigerator Wheel614BUMPER616WR82X22566 GE Cover Access Assembly618WR02X10520 GE Refrigerator Fan Motor Grommet626WR23X10300 GE Refrigerator Power Cord Assembly628WR17X35527 GE Refrigerator Condenser Fan Shroud650WR60X10130 GE Refrigerator AC Motor/DC Fan E02651WR60X24484 GE Refrigerator Condenser Fan Blade652WR02X12149 GE Refrigerator Ring683WR02X11027 GE Wire Tie684WR01X10654 GE Refrigerator Screw 10-32 TT HXW 5/16 S690WZ5X158D GE Screw Package of 12691GEN WR02X11575725WR87X10224 GE Refrigerator Compressor Kit EGYS60729WR55X24064 GE Refrigerator Run Capacitor730CONDENSER & BRKT ASM734WR02X22564 GE Clip Retainer Combo735WR08X21100 GE Refrigerator TSD Combo736GEN WR02X8203737WR02X22869 GE Refrigerator Grommet740WR86X25269 GE Refrigerator R134 Dryer741WR1X1779 GE Refrigerator Stud Mounting Compressor742GEN WR02X10587743GEN WR02X10588749GEN WR17X12508750WR1X1786 GE Refrigerator Screw753WR02X11863 GE Refrigerator Condenser Fan Bracket (Mounting)762WR14X10199 GE Foam Strip764WR2X9000 GE Refrigerator Condenser Clip765BRACKET CONDENSER BAR777WR02X13163 GE Grommet Bracket778PLUG WATER LINE916WR02X13569 GE Refrigerator Sound Damper917WR02X13573 GE Refrigerator Sound Damper