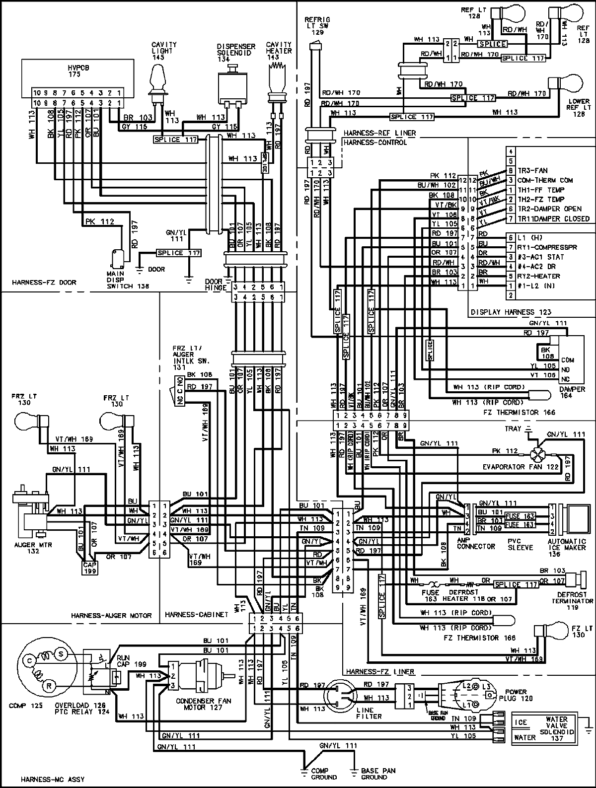
GC2224GEKB 18 – WIRING INFORMATIONadmin2025-04-26T08:57:46+00:00GC2224GEKB 18 – WIRING INFORMATION ProductsPositionProductNIMAY 15003636