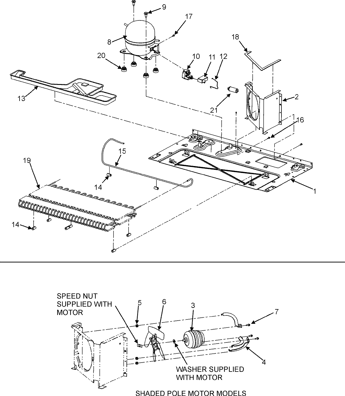
GC2224GEKW 02 – COMPRESSORadmin2025-04-26T08:59:53+00:00GC2224GEKW 02 – COMPRESSOR ProductsPositionProductNIMAY 670051161MAY 670015122MAY 126871013Motor, Condenser4Bracket, Motor (3)5GROMMET, BRACKET6WP12587601 Whirlpool Refrigerator Condenser Blade7Screw (3)8MAY 670050289MAY M022152310MAY 6700481511MAY 6700281512MAY 6700317913MAY 670047441467005680 Whirlpool Refrigerator Condenser Grommet15MAY 6700470016MAY M023861617MAY M023160418WP854334 Whirlpool Air Conditioner Sealing Strip19WP67006131 Whirlpool Refrigerator Condenser19MAY 670022352067003493 Whirlpool Refrigerator Compressor Grommet21MAY 67005062