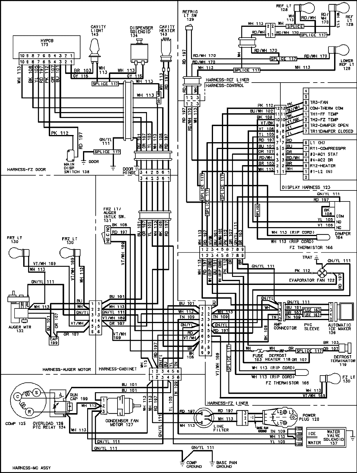
GC2224GEKW 18 – WIRING INFORMATIONadmin2025-04-26T08:58:43+00:00GC2224GEKW 18 – WIRING INFORMATION ProductsPositionProductNIMAY 15003636