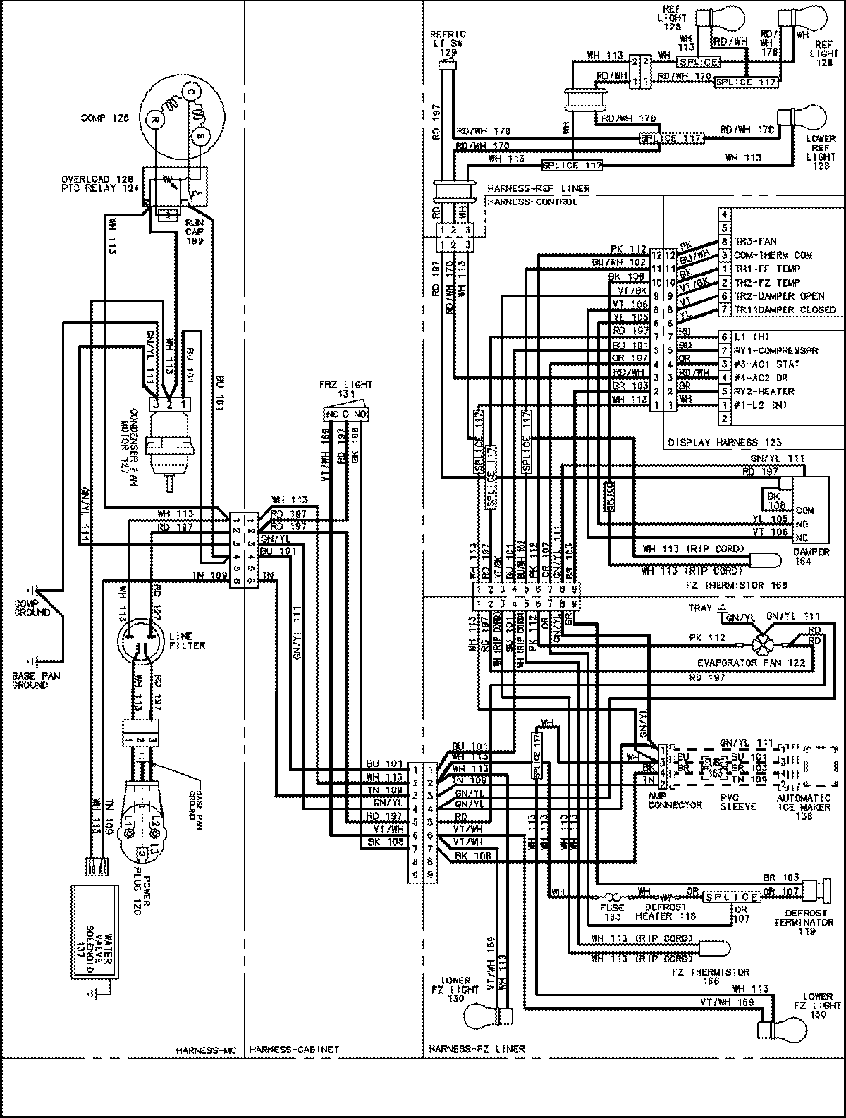
GC2225PEKB 16 – WIRING INFORMATIONadmin2025-04-26T08:58:19+00:00GC2225PEKB 16 – WIRING INFORMATION ProductsPositionProductNIMAY 15003651