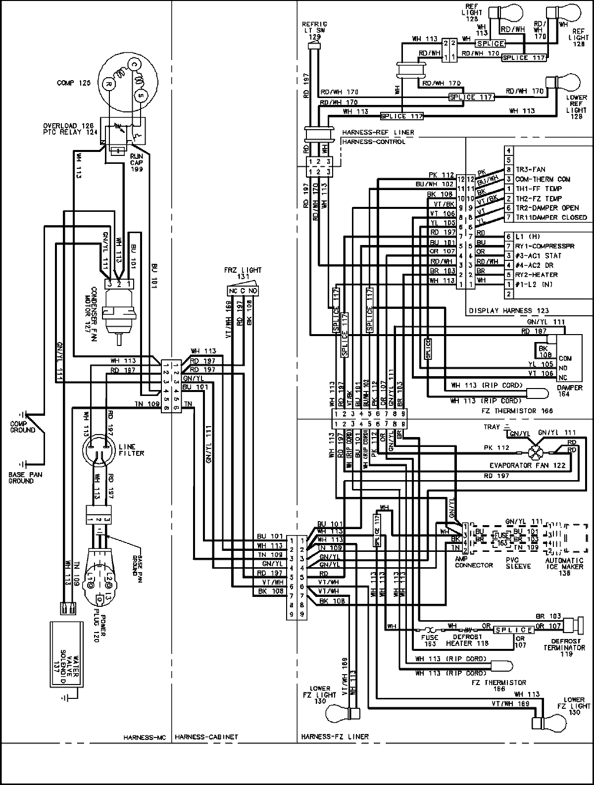
GC2225PEKS 16 – WIRING INFORMATIONadmin2025-04-26T08:59:48+00:00GC2225PEKS 16 – WIRING INFORMATION ProductsPositionProductNIMAY 15003651