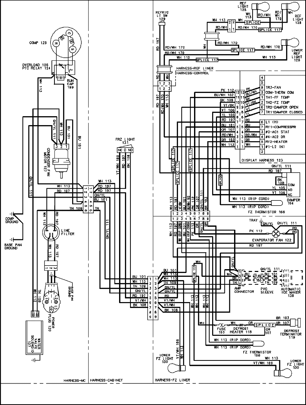
GC2225PEKW 16 – WIRING INFORMATIONadmin2025-04-26T08:57:42+00:00GC2225PEKW 16 – WIRING INFORMATION ProductsPositionProductNIMAY 15003651