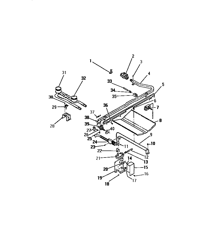
GC32BCL1 31 – BURNERS, IGNITORS, CONTROLSadmin2025-04-26T09:26:34+00:00GC32BCL1 31 – BURNERS, IGNITORS, CONTROLS ProductsPositionProduct1CLIP, CAPILLARY TUBE2WCI 80079744WCI 80139065WCI 80140216WCI 80079797WCI 80139268WCI 80079809WCI 800941815WCI 800798617BUSHING18WCI 800796019WCI 800798720WCI 800798521VALVE, OVEN22WCI 800801023WCI 800801124IGNITOR, OVEN25SCREW (2)26WCI 800800027SWITCH-MICRO28WCI 801400229AWCI 801388429IGNITOR-TOP, R.H.30WCI 800790531WCI 801385332WCI 8013852333/8`` TUBE34WCI 800836335SHUT OFF VALVE36WCI 801250937WCI 801392138WCI 800799139WCI 801394040WCI 8008002