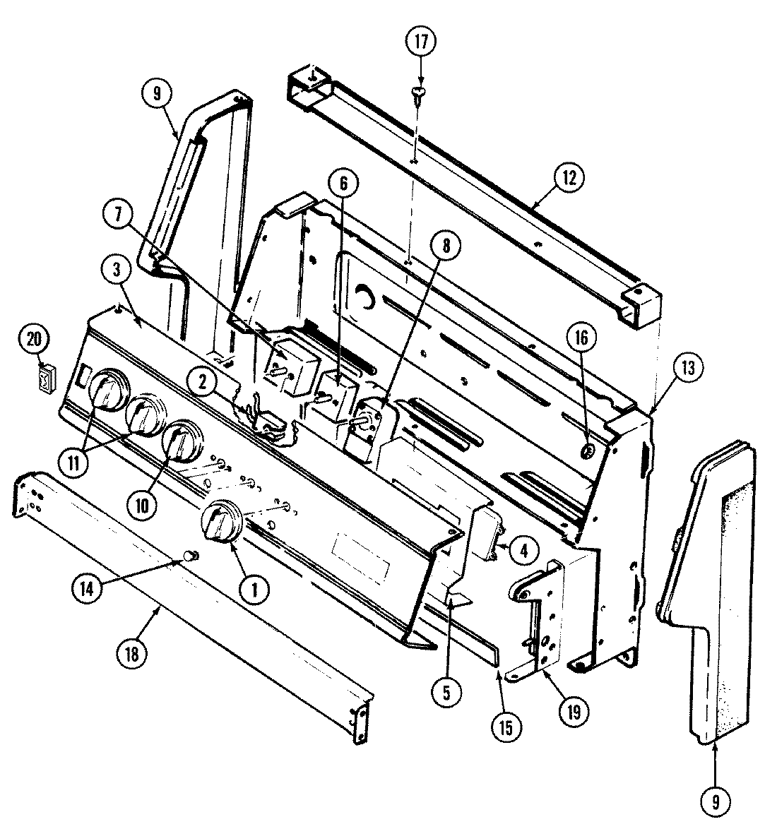
GC3531WUW 02 – CONTROL PANELadmin2025-04-26T08:57:42+00:00GC3531WUW 02 – CONTROL PANEL ProductsPositionProductNIMAY 16000329NIMAY 8113P023-601MAY 7735P037-602W10852510 Whirlpool Indicator Light3MAY 7703P641-603MAY 7719P064-604MAY 7602P122-605MAY 3801F340-455MAY 7101P348-606WP7403P255-60 Whirlpool Selector Switch7WP7403P239-60 Whirlpool Oven Switch7WP7403P238-60 Whirlpool Infinite Switch (Small Element)8MAY 7404P081-609MAY 7726P060-609MAY 7726P059-6010MAY 7739P043-6011MAY 7737P035-6012MAY 4001F064-5113MAY 4001F091-5114W11690131 Whirlpool Light Lens15MAY 3604F201-8016WP3195558 Whirlpool Nut18MAY 3802F088-5119MAY 3418D098-6019MAY 3418D097-6019SCREW (8BX3/8-NI)207403P067-60 Whirlpool Light Switch20MAY 5125A371-6020MAY 74001475