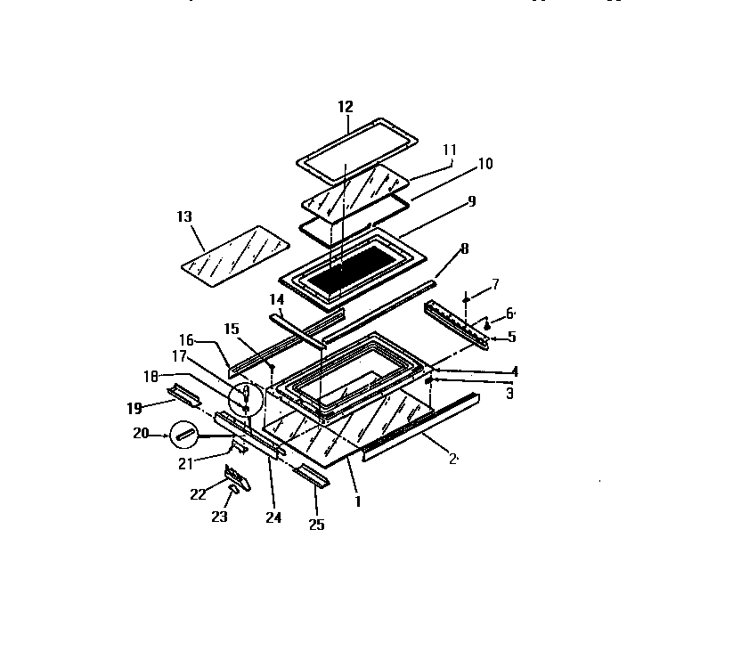
GC932EXH3 04 – UPPER DOOR