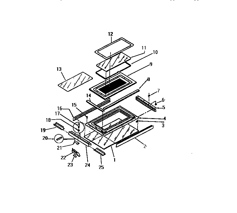
GC932EXW1 04 – UPPER DOORadmin2025-04-26T09:31:23+00:00GC932EXW1 04 – UPPER DOOR ProductsPositionProduct1WCI 276T086P422WCI 233T027P023WCI 655T165P014WCI Q2799815EXTRUSION HINGE7WCI Q2796598SEAL9WCI Q27998210WCI 707R001P0111WCI 276T081P0212WCI Q27998313LINER14SEAL15SCREW SW PNL. (7)16EXTRUSION17SCREW18NUT (2)19WCI 322T010P0220ROLL PIN21WCI 676T072P0222HANDLE (BLACK)23WCI 321T021P0924EXTRUSION25INSERT DR. BOTTOM