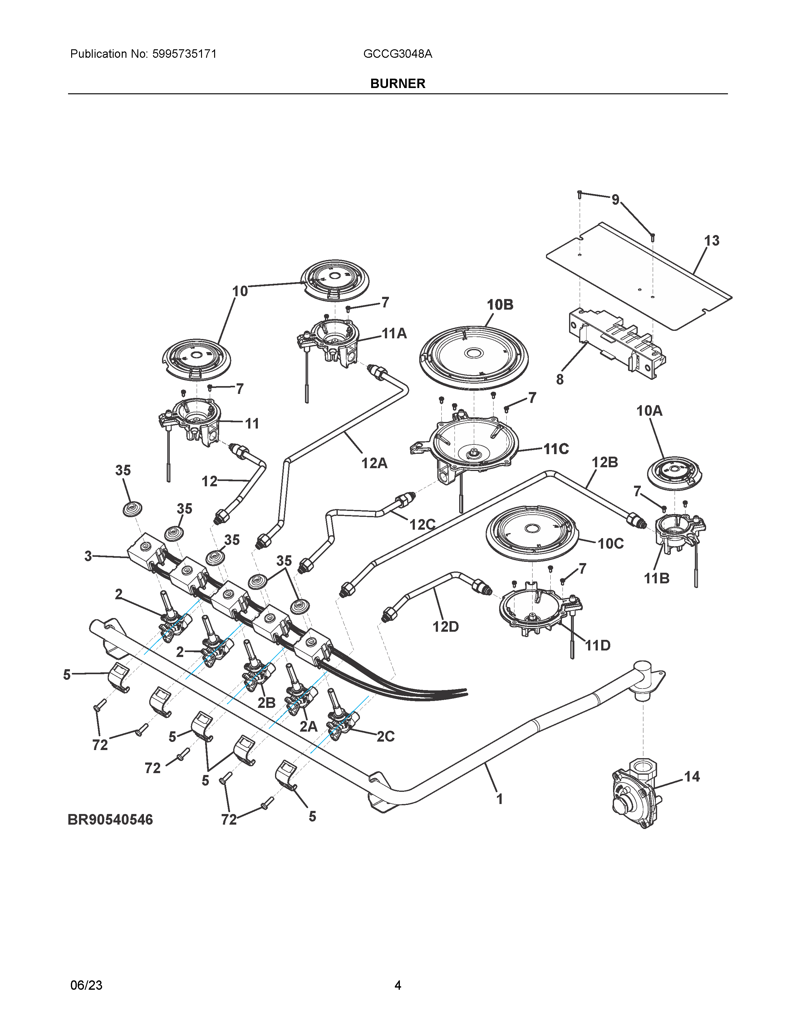
| NI | GASKET, VALVE STEM |
| NIA | 5304516456 Frigidaire Wire |
| NIA | CA |
| NIB | 305452800 Frigidaire Screw |
| NI | 5304533635 Frigidaire Lp Conversion |
| 1 | 5304533630 Frigidaire Manifold Tube Assembly |
| 2 | 5304527639 Frigidaire Valve |
| 2A | 5304533576 Frigidaire Valve |
| 2B | 5304533577 Frigidaire Valve |
| 2C | 5304533607 Frigidaire Valve |
| 3 | 5304533631 Frigidaire Harness-Electrical |
| 5 | 357733402 Frigidaire Oven Bracket |
| 7 | SCREW, PAN T10 ZP PTFE, 2.9 X 13, (8) |
| 8 | SPARK MODULE |
| 9 | 305338602 Frigidaire Screw |
| 10B | CROWN,BURNER,XTRA LARGE |
| 10 | 5304533593 Frigidaire Range Crown |
| 10C | 5304533618 Frigidaire Range Crown |
| 10A | 5304533592 Frigidaire Range Crown |
| 11A | IGNITOR/ORIFICE |
| 11B | 5304533582 Frigidaire Igniter/Orifice |
| 11C | 5304533611 Frigidaire Igniter/Orifice Assembly |
| 11D | 5304533610 Frigidaire Igniter/Orifice Assembly |
| 11 | IGNITOR/ORIFICE ASSEMBLY, 7.5K, ASSEMBLY |
| 12D | TUBE ASSEMBLY, BURNER, RH FRONT |
| 12C | 5304533613 Frigidaire Assembly Tube |
| 12A | TUBE ASSEMBLY, BURNER, LH REAR |
| 12 | TUBE ASSEMBLY, BURNER, LH FRONT |
| 12B | TUBE ASSEMBLY |
| 13 | COVER, SPARK MODULE |
| 14 | 5304533599 Frigidaire Regulator |
| 35 | GASKET, BACKLIT KNOB |
| 72 | 5304508436 Frigidaire Oven Screw |