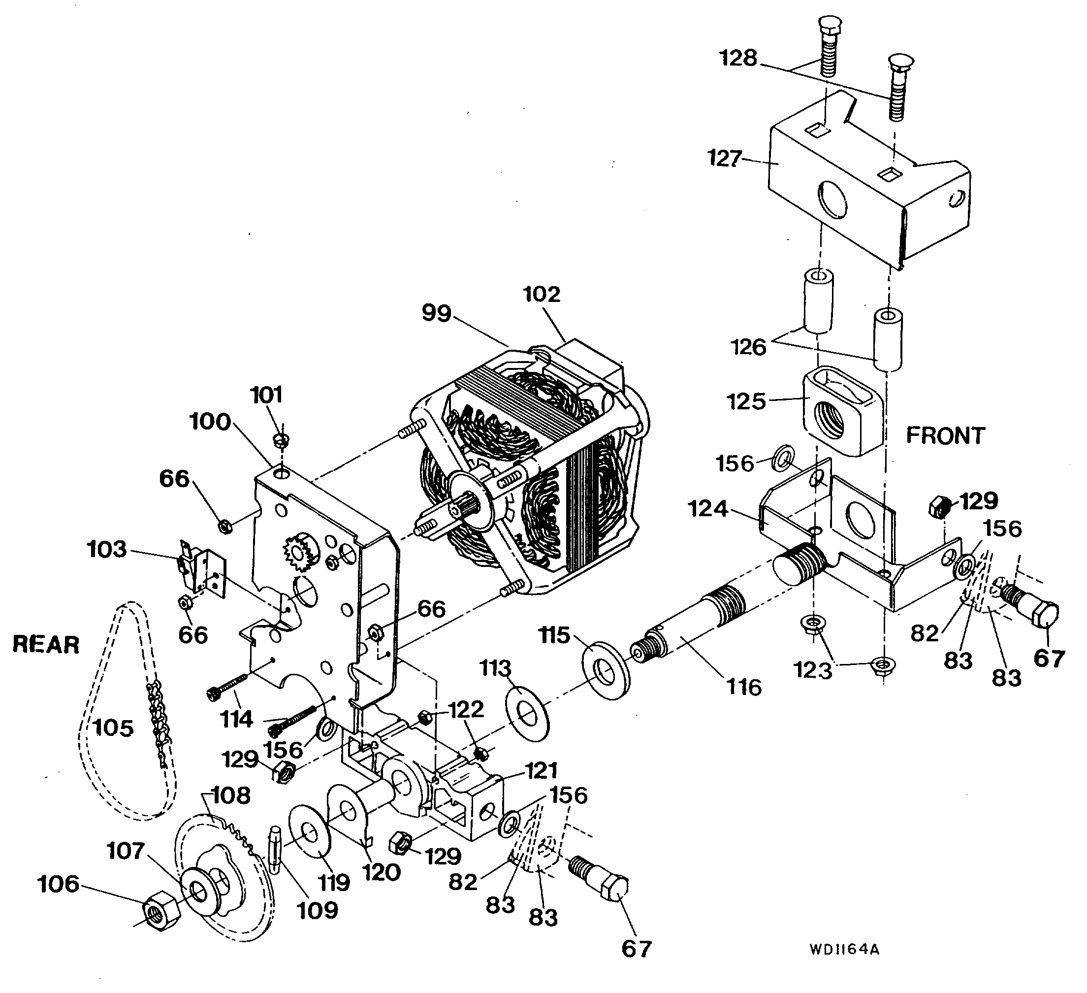
GCG1000-03 3admin2025-04-26T08:49:58+00:00GCG1000-03 3 ProductsPositionProduct66GEN WC01X511967GEN WC01X514182GEN WC28X505483GEN WC28X505599GEN WC26X5021100GEN WC22X5028101GEN WC02X5155102GEN WC21X5048103GEN WC21X5051105GEN WC22X5021106GEN WC01X5139107GEN WC01X5127108GEN WC22X5022109GEN WC02X5156113GEN WC04X5028114GEN WC01X5128115GEN WC01X5129116GEN WC22X5023119GEN WC01X5130120GEN WC04X5029121GEN WC22X5024122GEN NO STK 122123GEN WC01X5136124GEN WC22X5025125GEN WC01X5131126GEN WC01X5132127GEN WC22X5026128BLT 3/8X2-1/4 RD HD SQ NK129GEN WC01X5135156GEN WC01X5143