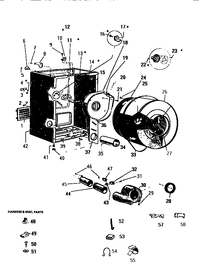
GDD15A1H5 04 – DRUM