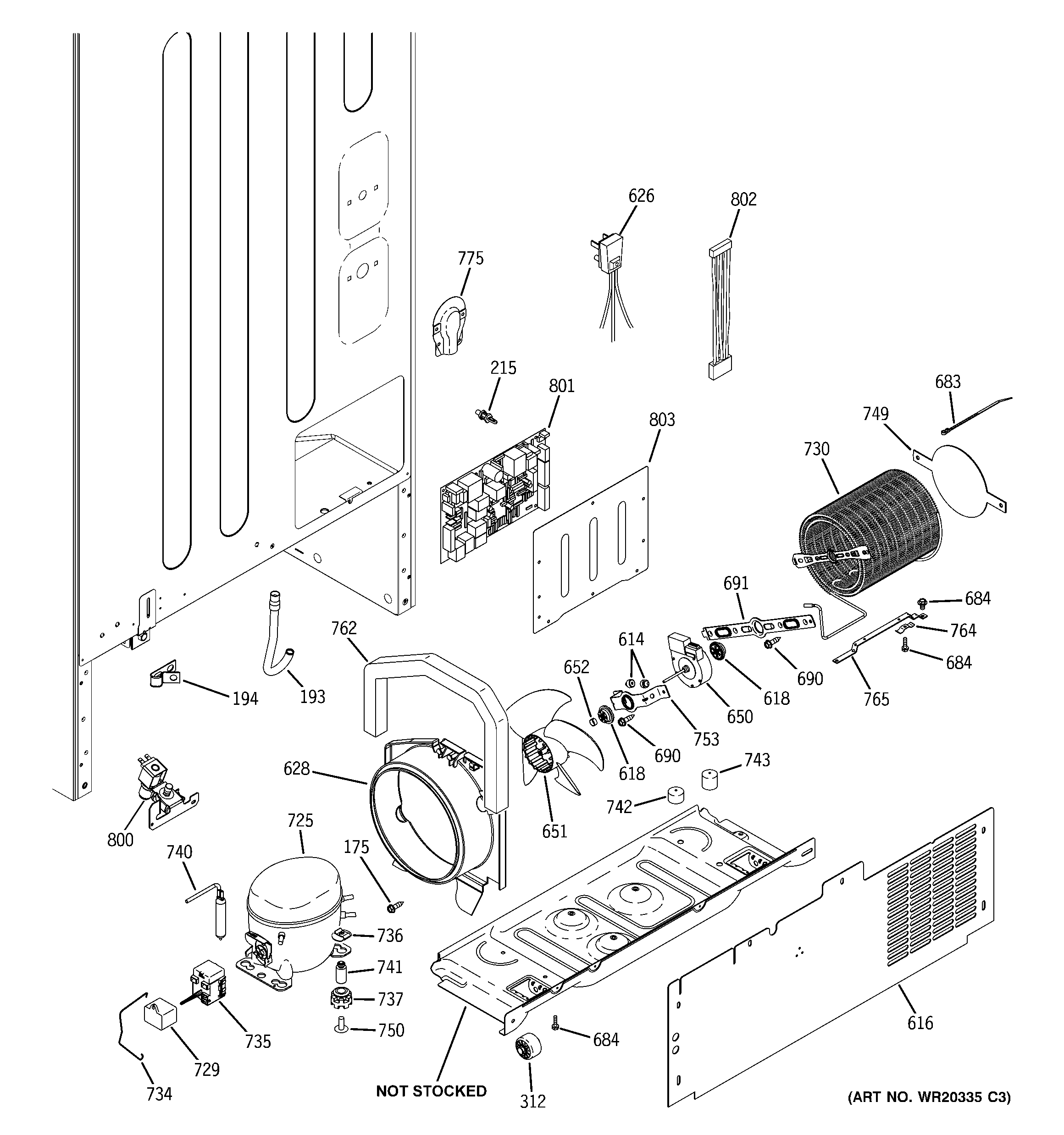
GDE20ESEARSS MACHINE COMPARTMENT

GDE20ESEARSS MACHINE COMPARTMENT