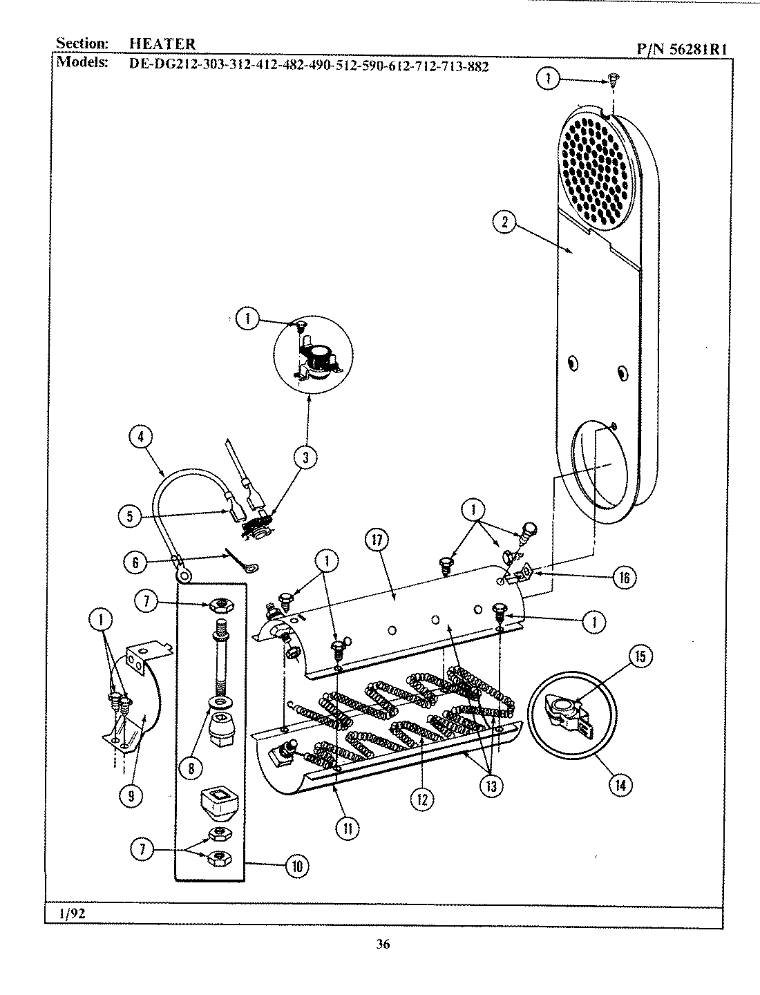
GDE212 05 – HEATER