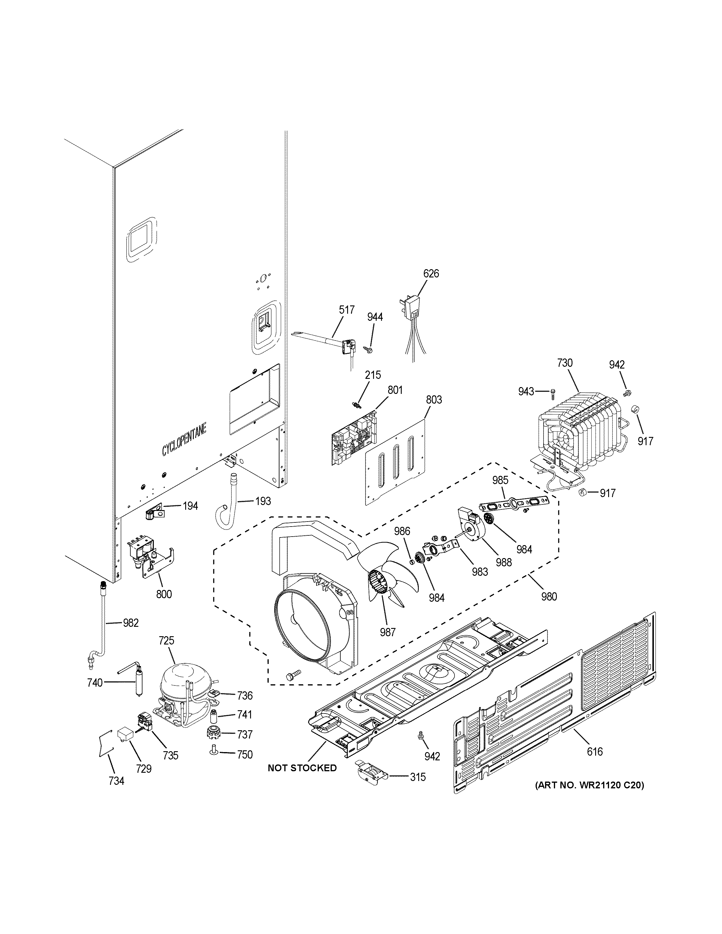
GDE21EGKARWW MACHINE COMPARTMENTadmin2025-04-26T08:49:43+00:00GDE21EGKARWW MACHINE COMPARTMENT ProductsPositionProduct193TUBE DRAIN194WR01X10684 GE Refrigerator Cable Clamp215WR02X10663 GE Refrigerator Standoff315WR02X24943 GE Refrigerator Mobility Back Assembly517WR29X24766 GE Refrigerator Grommet and Tube IM Assembly616WR82X22566 GE Cover Access Assembly626WR23X10300 GE Refrigerator Power Cord Assembly725WR87X10224 GE Refrigerator Compressor Kit EGYS60729WR55X24064 GE Refrigerator Run Capacitor730WR84X25328 GE Refrigerator Condenser Assembly734WR02X22564 GE Clip Retainer Combo735WR08X21100 GE Refrigerator TSD Combo736GEN WR02X8203737WR02X22869 GE Refrigerator Grommet740WR86X25269 GE Refrigerator R134 Dryer741WR1X1779 GE Refrigerator Stud Mounting Compressor750WR1X1786 GE Refrigerator Screw800VALVE & GUARD ASM801WR55X26827 GE Refrigerator Main Control Board Assembly803COVER MAIN BOARD ASM917WR02X13573 GE Refrigerator Sound Damper942WR01X10654 GE Refrigerator Screw 10-32 TT HXW 5/16 S943SCR 10-16 B HXW 1/4 S944WR01X10652 GE Refrigerator Screw 8-18 AB IHW 5/8 S980WR60X25869 GE Refrigerator Condenser Fan and Housing Assembly982WR02X13774 GE Refrigerator Tube Lead983WR02X11863 GE Refrigerator Condenser Fan Bracket (Mounting)985WR02X10593 GE Refrigerator Bracket Condenser Fan (Rear)986WR02X10520 GE Refrigerator Fan Motor Grommet987WR60X24484 GE Refrigerator Condenser Fan Blade988WR60X10209 GE Refrigerator DC Condenser Fan Motor