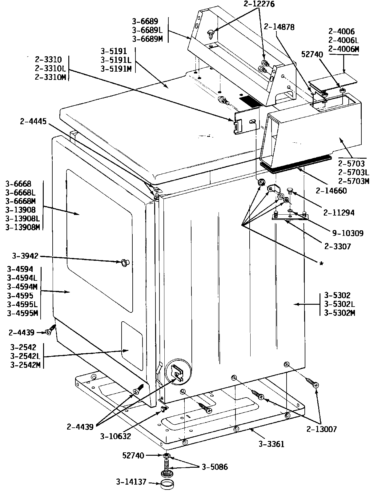
GDE24CT 04 – FRONT VIEW