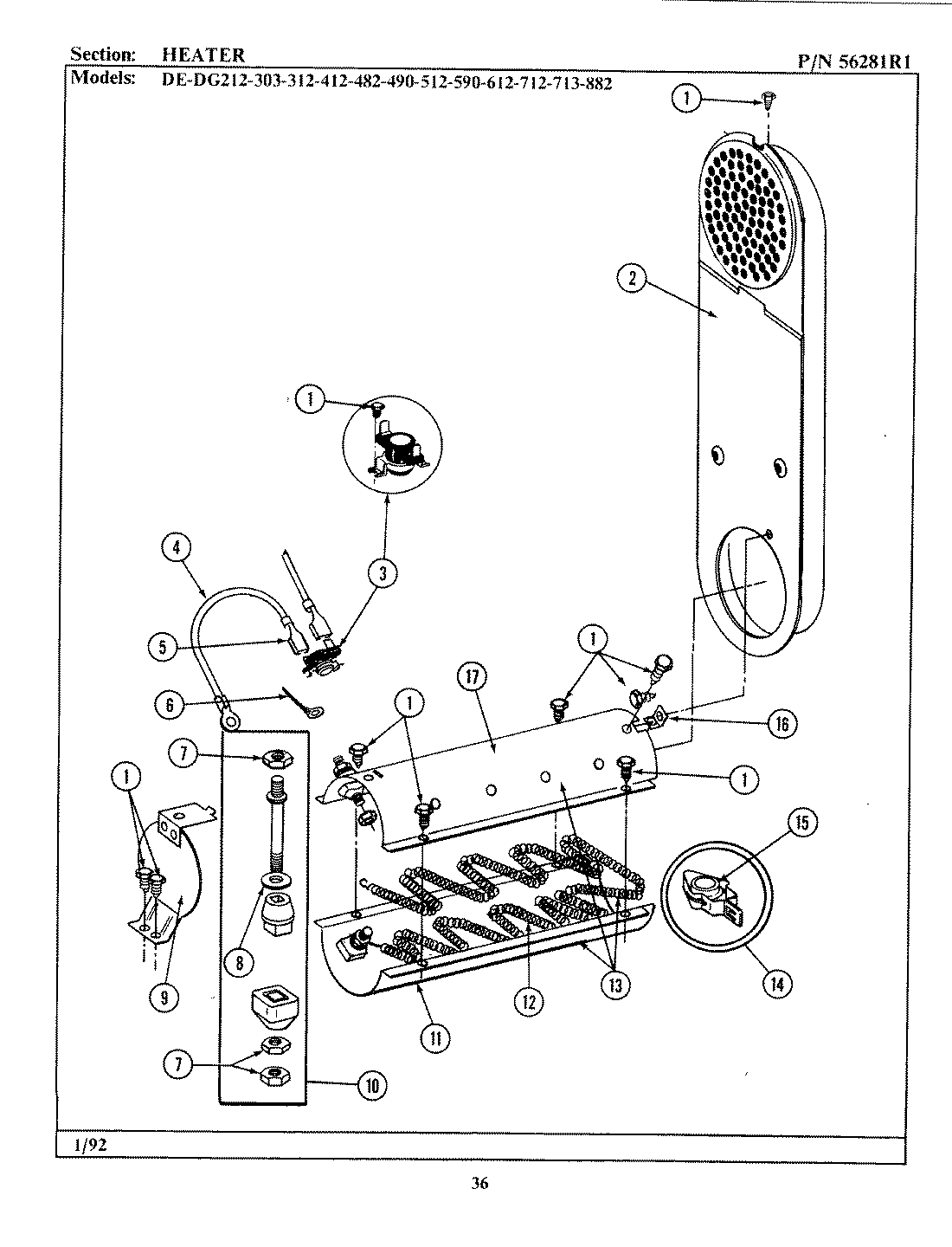
GDE312 04 – HEATER