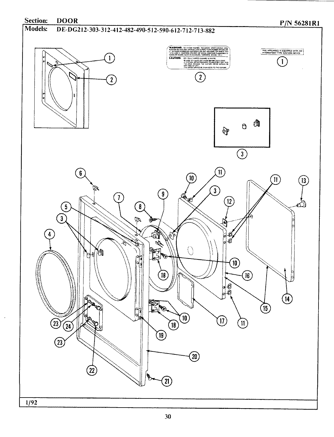
GDE490 02 – DOOR