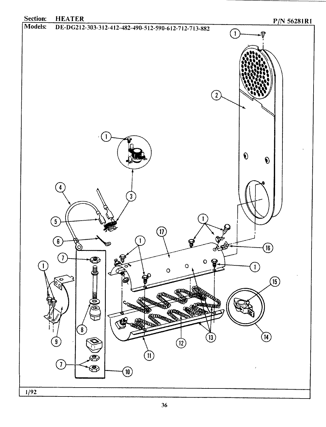
| 1 | WP90767 Whirlpool Screw |
| 2 | MAY Y303362 |
| 3 | WP303896 Whirlpool High Limit Thermostat |
| 3 | WP303396 Whirlpool Thermostat |
| 4 | WPY304693 Whirlpool Wire Jumper |
| 5 | MAY 210745 |
| 6 | MAY 306448 |
| 7 | WP112432 Whirlpool Nut Assembly |
| 8 | WP311093 Whirlpool Washer 7 |
| 9 | MAY 304124 |
| 10 | Y304596 Whirlpool Terminal Insulator Assembly |
| 11 | MAY Y313576 |
| 12 | W10116793 Whirlpool Element |
| 12 | WPY313538 Whirlpool Heater Element |
| 13 | WPY303404 Whirlpool Heating Element |
| 14 | WPY303881 Whirlpool Clip and Insulator |
| 15 | MAY Y313270 |
| 16 | MAY Y312890 |
| 17 | MAY Y313575 |