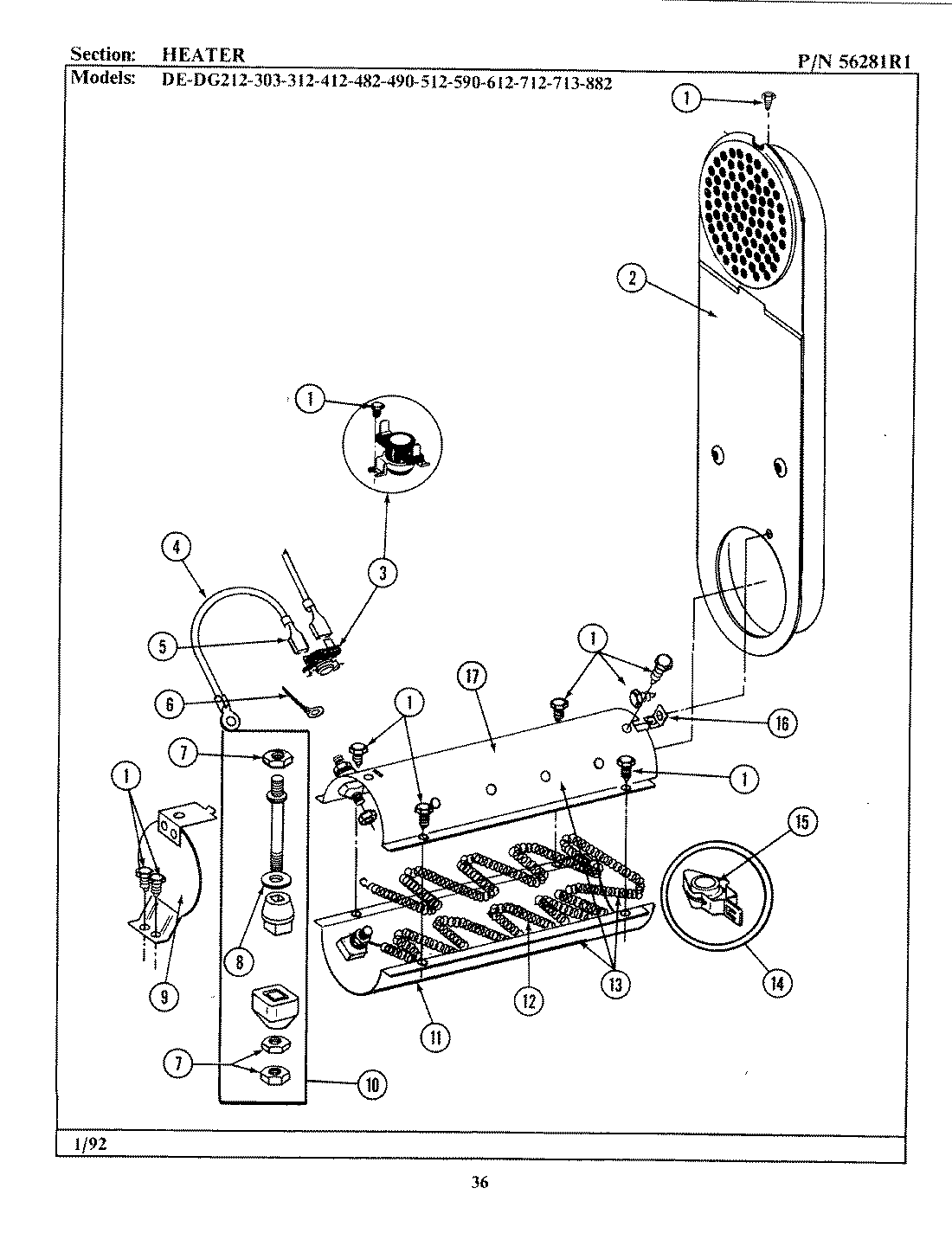
GDE882 04 – HEATER