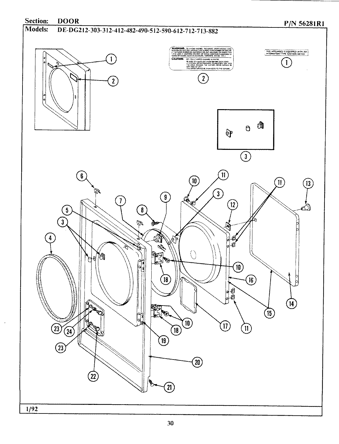
GDG313 02 – DOOR