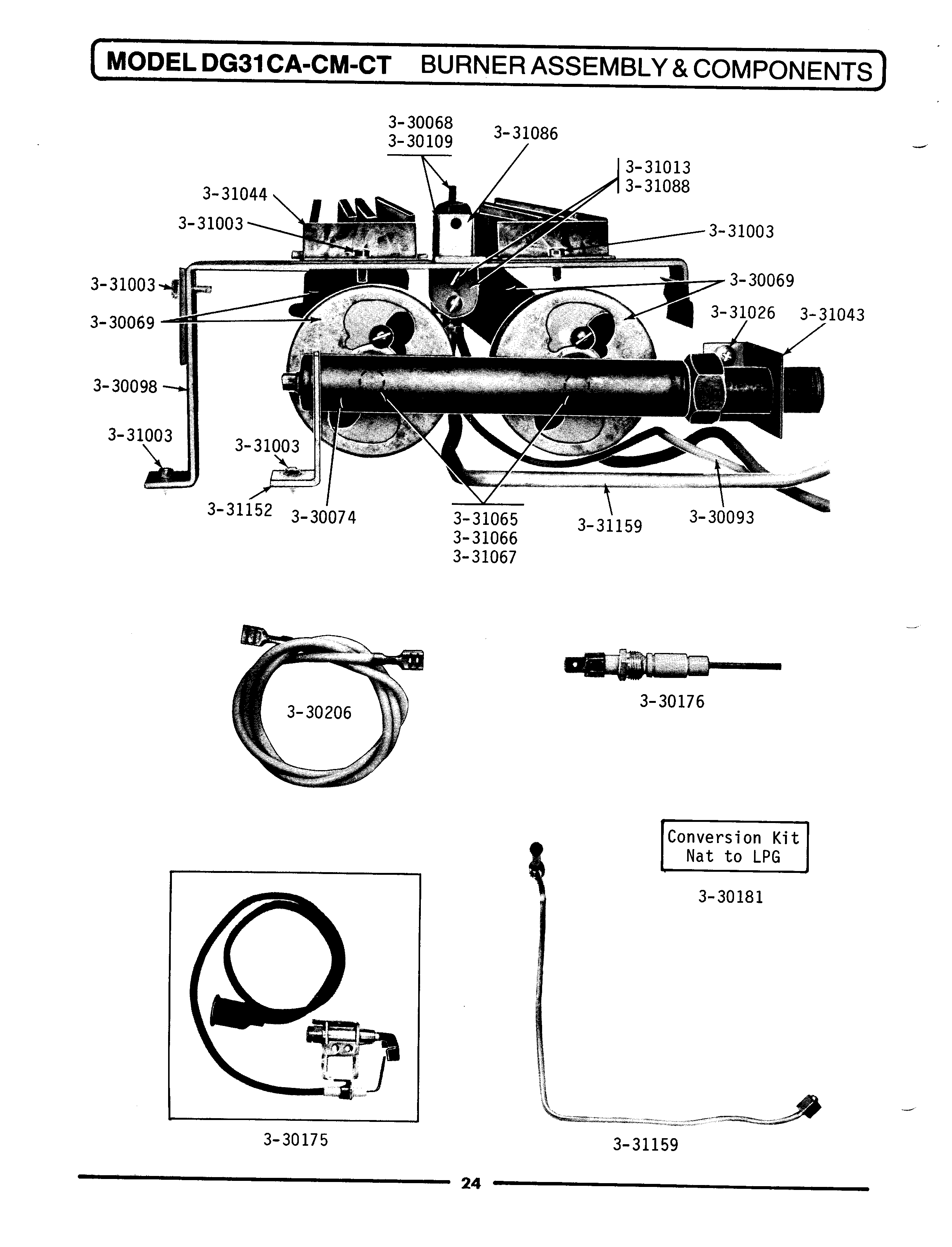
GDG31CA 08 – BURNER ASSEMBLY & COMPONENTS
Products
| Position | Product |
|---|---|
| NI | DOWEL PIN FOR HANDLE |
| NI | MAY Y330195 |
| 001 | MAY Y330068 |
| 007 | MAY Y330175 |
| 008 | MAY Y330176 |
| 009 | CONVERSION KIT-NAT. TO LPG |
| 012 | MAY Y330206 |
| 013 | MAY 331003 |
| 014 | MAY 331013 |
| 015 | MAY 331026 |
| 021 | MAY 331086 |