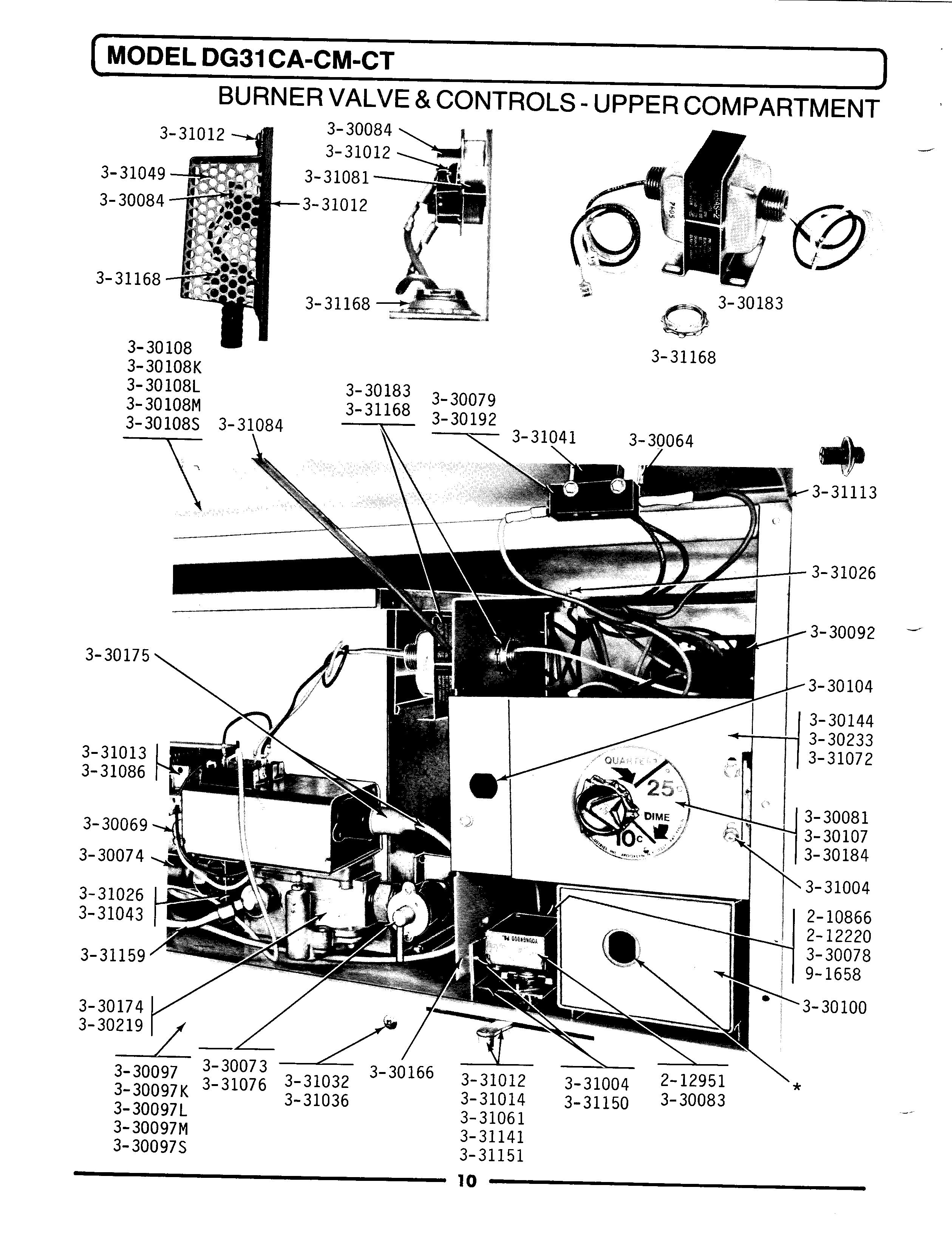
GDG31CT 04 – BURNER VALVE & CONTROLS-UPPER COMP.
Products
| Position | Product |
|---|---|
| NI | MAY 331151 |
| NI | MAY 330184 |
| NI | MAY Y330100 |
| NI | DOWEL PIN FOR HANDLE |
| NI | MAY 331086 |
| NI | WASHER-FRONT PANEL SCREWS |
| NI | SWITCH, PUSH TO START |
| NI | MAY Y330174 |
| NI | MAY 330108M |
| 001 | MAY 210866 |
| 002 | MAY 212220 |
| 003 | MAY 212951 |
| 004 | MAY Y330064 |
| 006 | MAY Y330073 |
| 008 | MAY Y330083 |
| 009 | MAY 330084 |
| 010 | MAY Y330092 |
| 017 | MAY 330108L |
| 021 | MAY Y330175 |
| 022 | MAY 330183 |
| 025 | MAY Y330219 |
| 027 | MAY 331012 |
| 028 | MAY 331013 |
| 029 | MAY 331014 |
| 030 | MAY 331026 |
| 031 | MAY 331032 |
| 033 | MAY 331041 |
| 035 | MAY 331049 |
| 036 | MAY 331061 |
| 039 | MAY 331084 |